EasyManua.ls Logo

Estun Summa ED3S - Position Control

Estun Summa ED3S
346 pages
Print Icon
To Next Page IconTo Next Page
To Next Page IconTo Next Page
To Previous Page IconTo Previous Page
To Previous Page IconTo Previous Page
Loading...
Summa Series Servodrive Product Manual
CiA402 Drive Profile
Document Version: V1.01
(Dec, 2019)
© 2019 ESTUN Automation Co., Ltd. All right reserved.
6-9
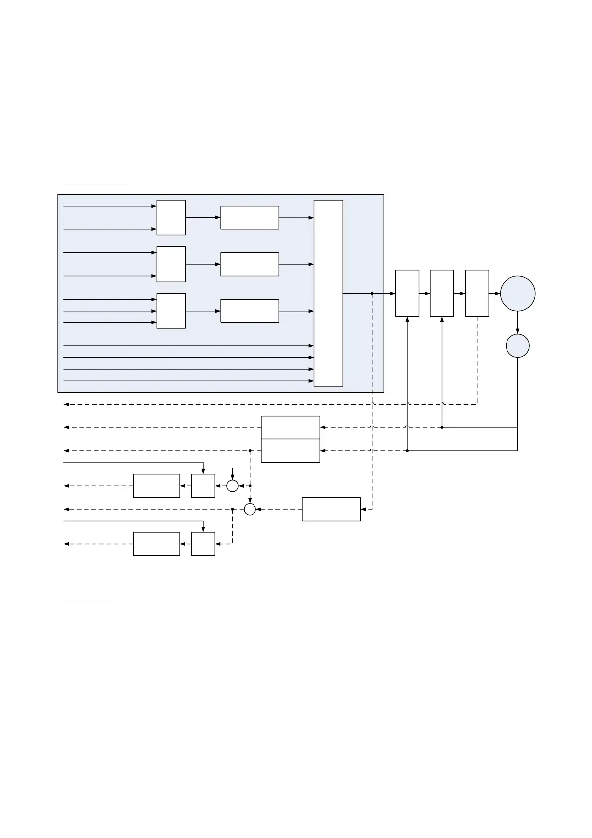
6.4 Position Control
6.4.1 Profile Position (PP) Mode
In this mode of operation, the host control uses the trajectory generator (an operation profile calculation
function) inside the Drive to perform PTP positioning operation. It executes trajectory generator, position
control, speed control, and torque control based on the target position, profile velocity, profile
acceleration, profile deceleration, and other information.
Block Diagram
Position
limit
function
Position gear ratio
6093-01h:6093-02h
Velocity
limit
function
Velocity gear ratio
6094-01h:6094-02h
Acceleration
limit
function
Profile acceleration (6083h)
Acceleration gear ratio
6097-01h:6097-02h
Quick stop deceleration (6085h)
Profile deceleration (6084h)
Position
trajectory
generator
Controlword (6040h)
Quick stop option code (605Ah)
Motion profile type (6086h)
Profile jerk (60A4h)
Position
control
Speed
control
Torque
control
[inc/s]
10
4
[inc/s
2
]
[inc]
[Vel. unit]
[Pos. unit]
[Acc. unit]
Target position (607Ah )
Software position limit (607Dh)
Profile velocity (6081h)
Max profile velocity (607Fh)
Velocity gear ratio
6094-02h:6094-01h
Position gear ratio
6093-02h:6093-01h
Position gear ratio
6093-01h:6093-02h
Torque actual value (6077h)
Velocity actual value (606Ch)
Position actual value (6064h)
Position
reach ed
window
comp arato r
Position window (6067h)
Position window
time (6068h)
Position
limit output
+
-
-
+
Position deman d
value (6062h)
Target reached in
statusword (6041h)
Followin g error actual value (60F4h)
Following
error
window
comp arato r
Followin g error window (6065h)
Followin g
window time out
(6066h)
Followin g error in
statusword (6041h)
Position actual
internal value
(6063h)
Position
demand
internal
value
(60FCh)
Encoder
Motor
Speed Limit
The speed limit is determined by the smaller of 6080h value and 607F value.

Table of Contents

Related product manuals