EasyManua.ls Logo

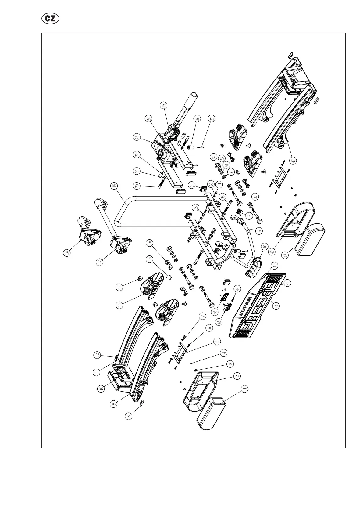
EUFAB PREMIUM 2 Plus - Přehled O Náhradních Dílech (Explozivní Výkres)

EUFAB PREMIUM 2 Plus
Print Icon
To Next Page IconTo Next Page
To Next Page IconTo Next Page
To Previous Page IconTo Previous Page
To Previous Page IconTo Previous Page
Loading...
118
Příloha Přehled o náhradních dílech (explozivní výkres)

Table of Contents

Related product manuals