EasyManua.ls Logo

EUFAB PREMIUM 2 Plus - Panoramica Pezzi DI Ricambio

EUFAB PREMIUM 2 Plus
Print Icon
To Next Page IconTo Next Page
To Next Page IconTo Next Page
To Previous Page IconTo Previous Page
To Previous Page IconTo Previous Page
Loading...
78
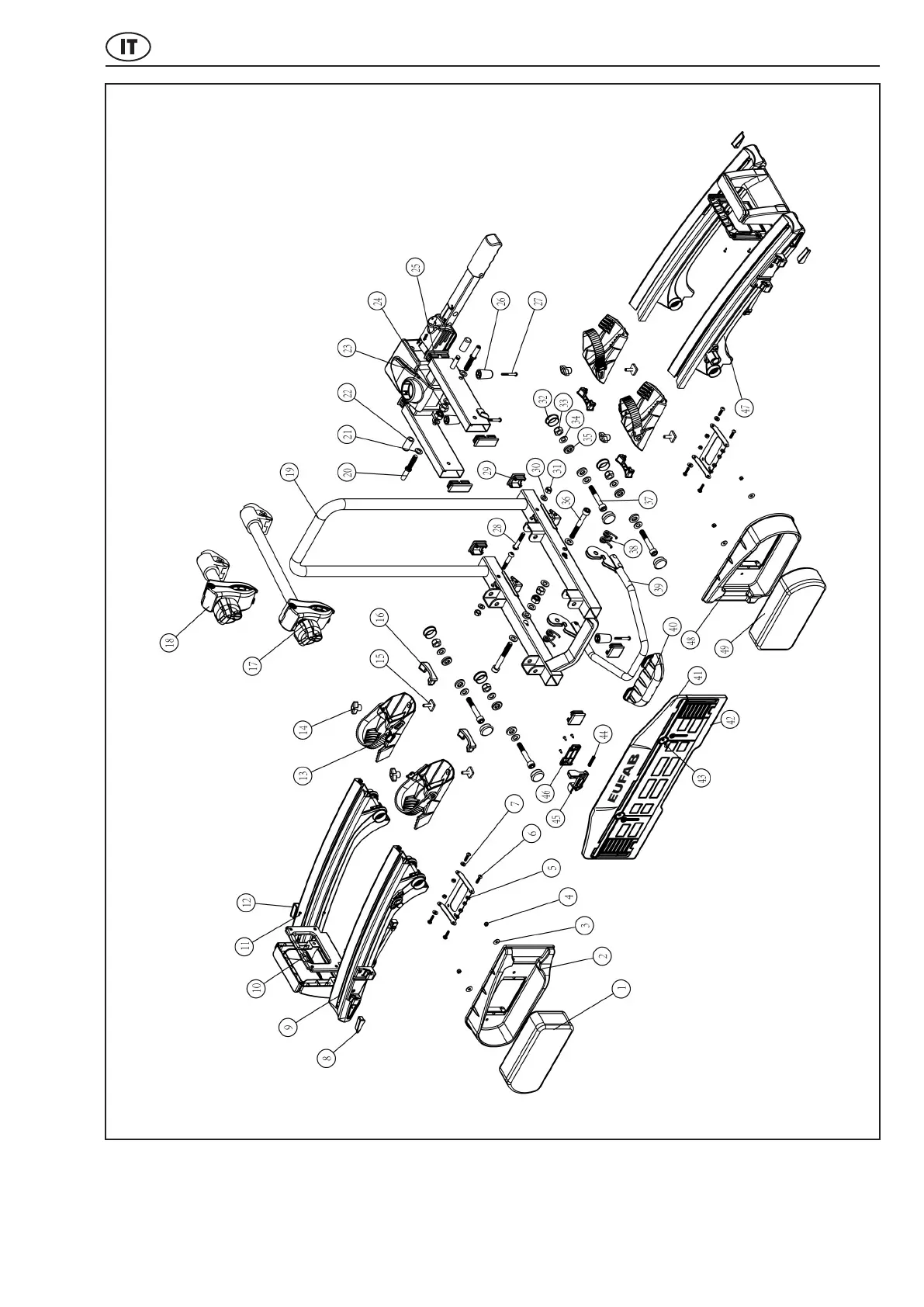
Panoramica pezzi di ricambio (disegno scomposto)

Table of Contents

Related product manuals