EasyManua.ls Logo

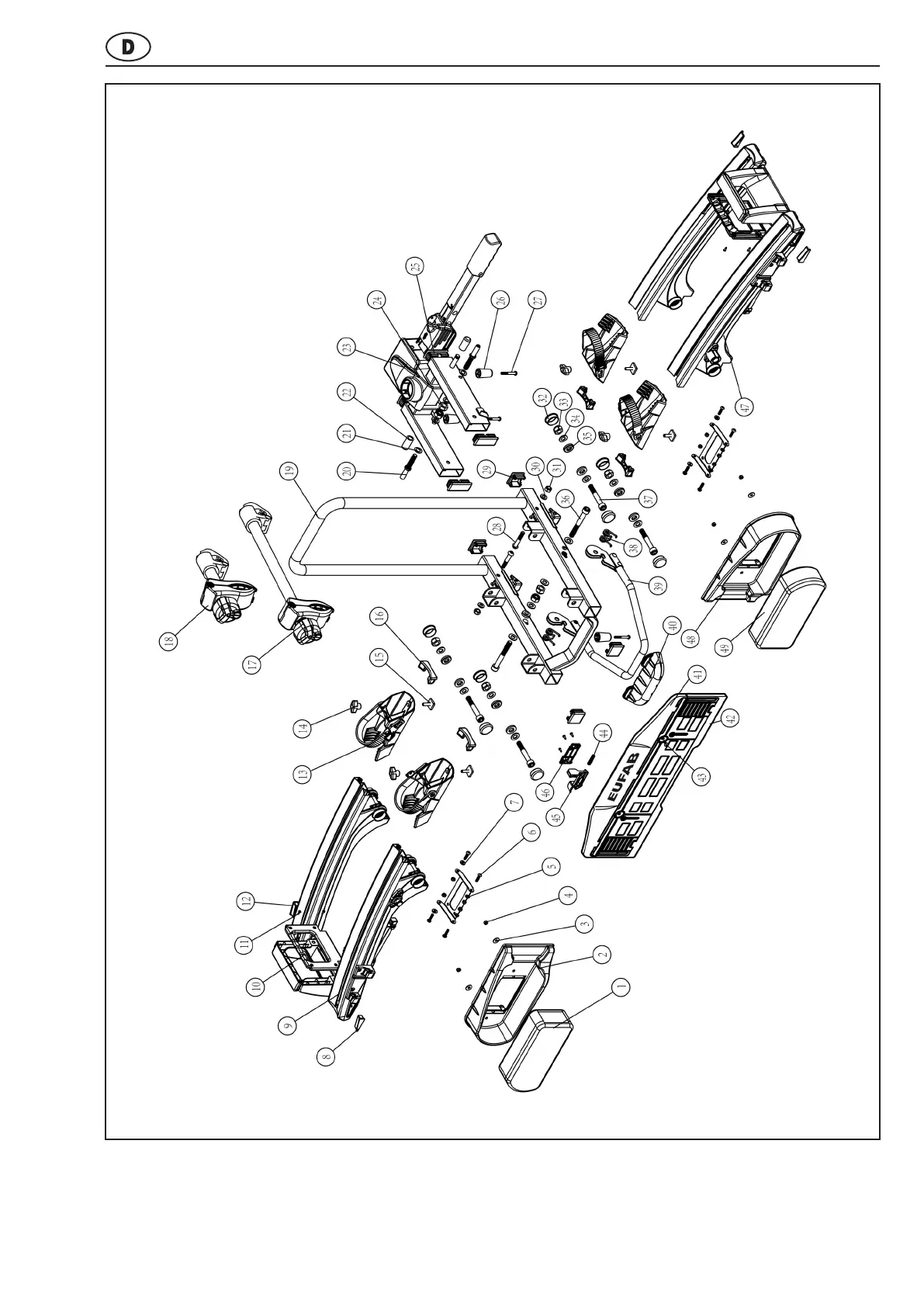
EUFAB PREMIUM 2 Plus - Übersicht Ersatzteile (Explosionszeichnung)

EUFAB PREMIUM 2 Plus
Print Icon
To Next Page IconTo Next Page
To Next Page IconTo Next Page
To Previous Page IconTo Previous Page
To Previous Page IconTo Previous Page
Loading...
18
Anhang Übersicht Ersatzteile (Explosionszeichnung)

Table of Contents

Related product manuals