EasyManua.ls Logo

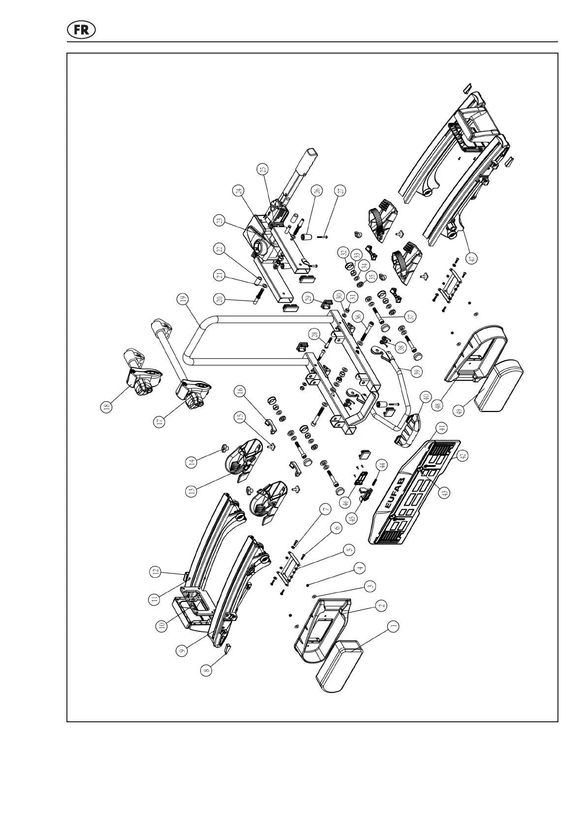
EUFAB PREMIUM 2 Plus - Aperçu des Pièces de Rechange - Vue Éclatée

EUFAB PREMIUM 2 Plus
Print Icon
To Next Page IconTo Next Page
To Next Page IconTo Next Page
To Previous Page IconTo Previous Page
To Previous Page IconTo Previous Page
Loading...
58
Annexe - Aperçu des pièces de rechange (vue éclatée)

Table of Contents

Related product manuals