EasyManua.ls Logo

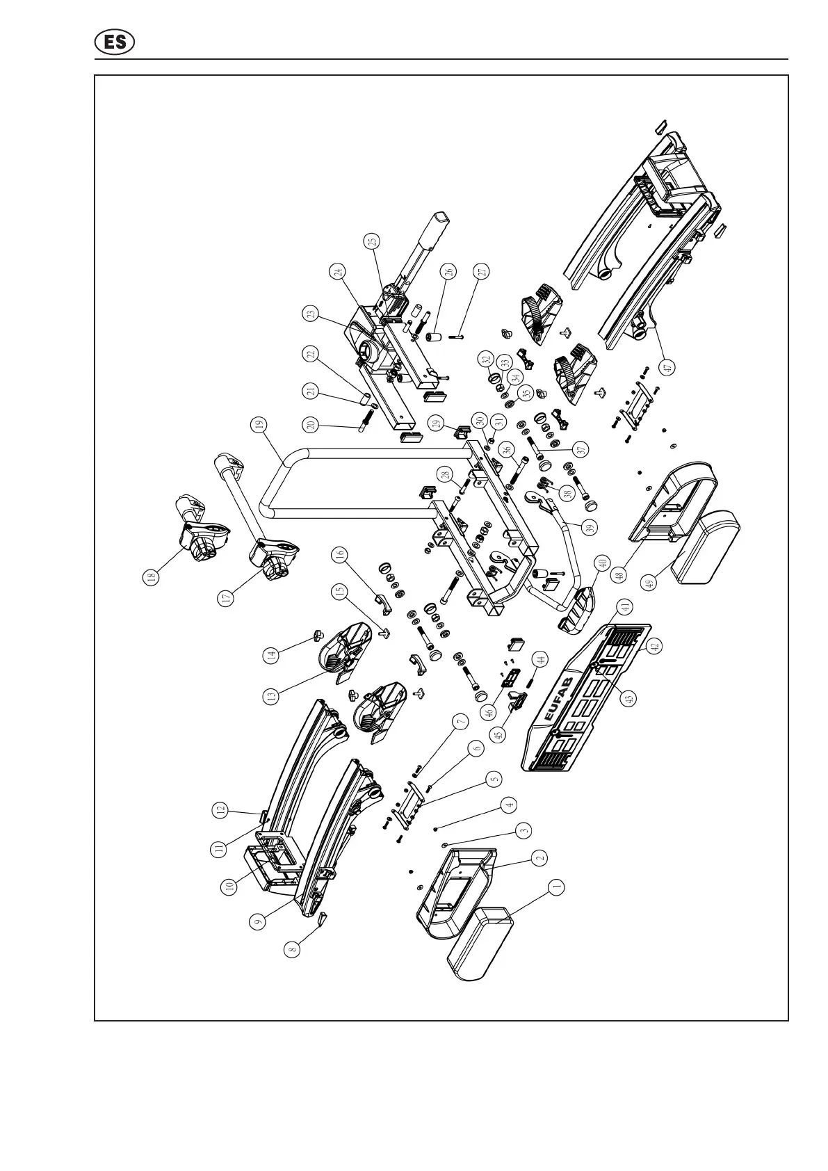
EUFAB PREMIUM 2 Plus - Vista General de Piezas Individuales (Plano de Explosión)

EUFAB PREMIUM 2 Plus
Print Icon
To Next Page IconTo Next Page
To Next Page IconTo Next Page
To Previous Page IconTo Previous Page
To Previous Page IconTo Previous Page
Loading...
138
Anexo Vista general de piezas individuales (Plano de explosión)

Table of Contents

Related product manuals