EasyManua.ls Logo

EUFAB PREMIUM 2 Plus - Spare Parts Overview - Exploded Drawing

EUFAB PREMIUM 2 Plus
Print Icon
To Next Page IconTo Next Page
To Next Page IconTo Next Page
To Previous Page IconTo Previous Page
To Previous Page IconTo Previous Page
Loading...
38
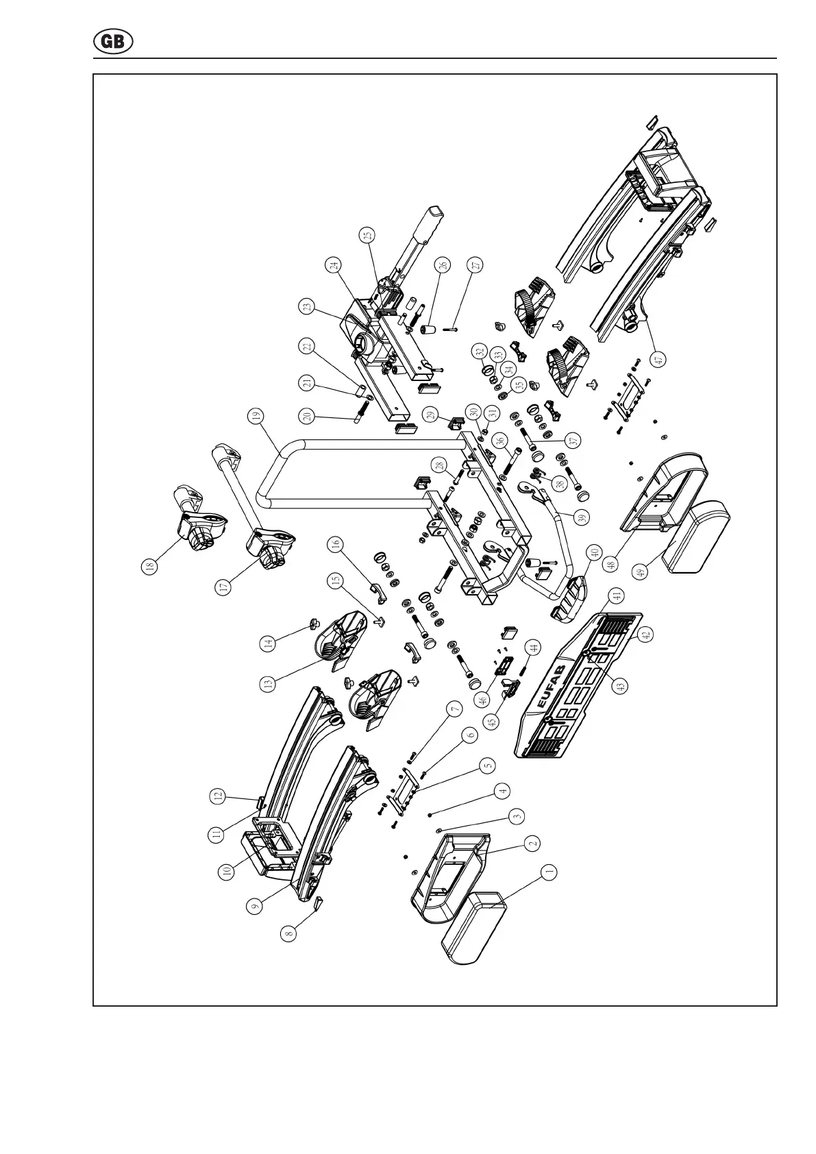
Appendix Spare parts overview - Exploded drawing
11236
11235

Table of Contents

Related product manuals