EasyManua.ls Logo

Evinrude E-TEC E40DSLSCS - Fuel System Circuit Diagram

Evinrude E-TEC E40DSLSCS
369 pages
Print Icon
To Next Page IconTo Next Page
To Next Page IconTo Next Page
To Previous Page IconTo Previous Page
To Previous Page IconTo Previous Page
Loading...
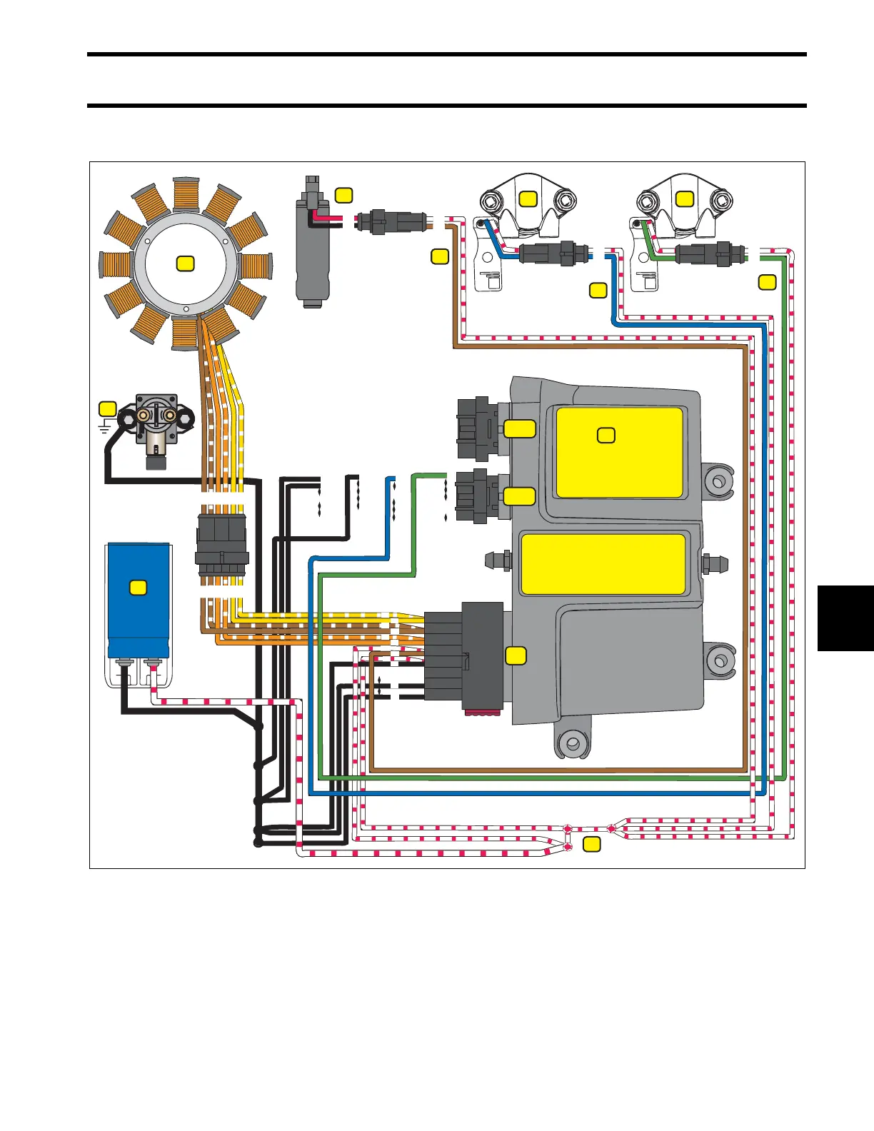
FUEL SYSTEM
FUEL SYSTEM CIRCUIT DIAGRAM
157
8
FUEL SYSTEM CIRCUIT DIAGRAM
1.
2.
3.
4.
Stator
EMM
Fuel injector
Fuel circulation pump
5.
6.
7.
8.
Capacitor
WHITE/RED (55 V)
BLACK ground wires
BLUE
9.
10.
GREEN
BROWN
1
2
3
5
6
7
8
12
13
14
15
16
9
10
11
13
12
11
10
9
8
26
24
25
23
22
21
20
19
17
16
15
14
18
J1-B
J1-A
J2
4
1
23456
234561
006479
1
2
7
6
4
3
2
1
5
1
2
1
6
8
4
10
3 3
7
2
5
1
2
1
2
9

Table of Contents

Related product manuals