EasyManua.ls Logo

Exmark QUEST SP - Electrical Logic Schematic

Exmark QUEST SP
52 pages
Print Icon
To Next Page IconTo Next Page
To Next Page IconTo Next Page
To Previous Page IconTo Previous Page
To Previous Page IconTo Previous Page
Loading...
Schematics
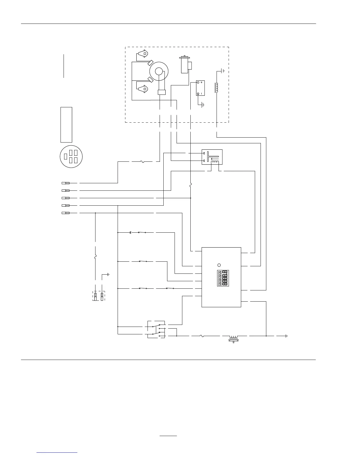
ElectricalLogicSchematic
S
B I
A
R
KEY SW
VIEWED FROM
BACK OF SWITCH
OFF = NO CONNECTION
ON = B R I A
START = B R I S
KEY SWITCH
S
R
I
B
A
OR
OR
7
F4
ENGINE
GRD
OPTIONAL
ACCESSORIES
CONNECTOR
8
OR
PK
PK
12
5
7 9
8 5
10
6
6
B
A
BN
BN
VIO
Y
T BN OR R
30A
1
F1
2
BN
BK
BK
GROUND
PTO
NEUTRAL
BRAKE
SEAT
KEY A
B+
FUEL SOLENOID
MAGNETO
START RELAY
2
4 1
3
PK W GN
M1
HOUR METER
BK
PTO
CLUTCH
ENGINE
GND
F3
10A
BN VIO
LT GN
T
BN OR R
VIO
VIO
VIO REG
AC
AC
IGNITION
MODULES
SPARK PLUG SPARK PLUG
WIRE COLOR CODES
START
STARTER
MAG
B+
ENGINE
GND
FUEL
SOLINOID
BU
W
R
PK
GY
PK
SOLENOID
GN
U1
STARTER
SOLENOID
(OFF)
3
F2
25A
4
PK PK
8
4
7
BK
PK
R
GY
VIO
1
3
SW1
2
4
5
KEY SWITCH CONNECTION
SW2
PTO SW
(IN OFF
POSITION)
SW5
RH NEUT
SWITCH
(IN NEUT
LOCK)
SW6
SEAT SW
(W/OPER
IN SEAT)
SW4
LH NEUT
SWITCH
(IN NEUT
LOCK)
G012612
BK = BLACK
BN = BROWN
BU = BLUE
GN = GREEN
GY = GREY
LT GR = LIGHT GREEN
OR = ORANGE
PK = PINK
R = RED
T = TAN
V = VIOLET
W = WHITE
Y = YELLOW
46

Table of Contents

Other manuals for Exmark QUEST SP

Related product manuals