EasyManua.ls Logo

Exmark Turf Tracer HP TT3615KA - Hydraulic Diagram

Exmark Turf Tracer HP TT3615KA
52 pages
Print Icon
To Next Page IconTo Next Page
To Next Page IconTo Next Page
To Previous Page IconTo Previous Page
To Previous Page IconTo Previous Page
Loading...
- 41 -
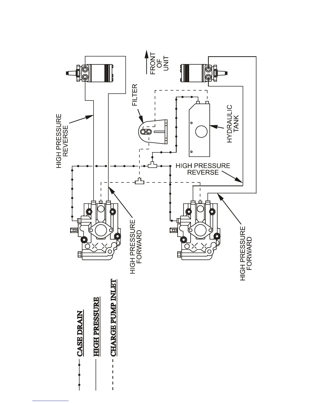
9. HYDRAULIC DIAGRAM

Related product manuals