EasyManua.ls Logo

Fagor PS-65A - Page 339

Fagor PS-65A
386 pages
Print Icon
To Next Page IconTo Next Page
To Next Page IconTo Next Page
To Previous Page IconTo Previous Page
To Previous Page IconTo Previous Page
Loading...
Connection diagrams
CONNECTION DIAGRAMS
Diagrams with a PS-65A power supply
10.
339
DDS
HARDWARE
Ref.1310
F. H1 0/1 0
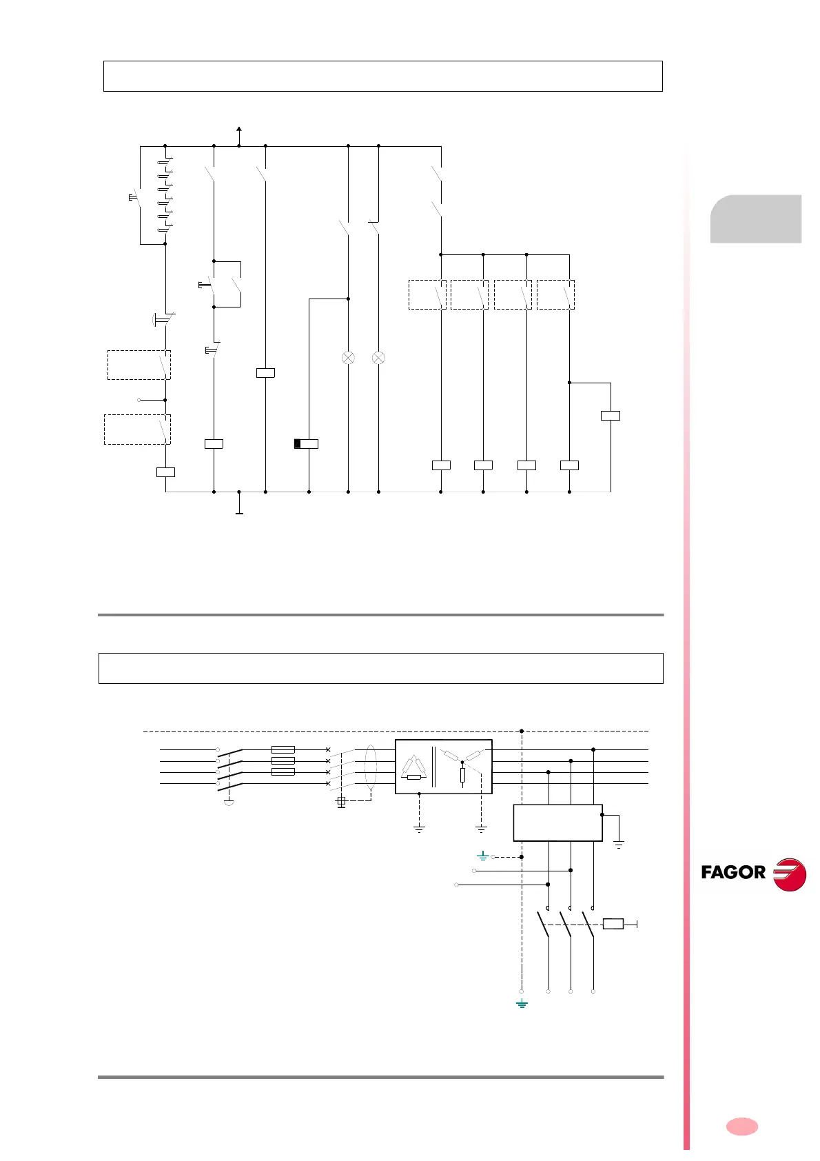
System with a PS-65A power supply. Diagram of the maneuver.
F. H1 0/11
General diagram of a DDS system with a PS-65A power supply.
+24VDC
X+
X-
Y+
Y-
Z+
Z-
KA1
KM1
KA2 KA2
KA2
KA1
CNC
ENABLE
X
CNC
ENABLE
S
CNC
ENABLE
Y
CNC
ENABLE
Z
-KA7
-KA4 -KA5
-KA6
BRAKE
CONTROL
BRK
(See GP9)
EMERG.
STOP
PS-65A
SYSTEM OK
I1 PLC
CNC EMERG.
O1 PLC
OFF
-KM1
ON
KM1
-KA2
SYSTEM
SPEED
ENABLE
-KA1
EMERGENCY LINE
GND
ON OFF
to SPEED ENABLES
ON
Green
OFF
Red
DELAY OFF
-KA3
DRIVE
ENABLES
t seconds
(See GP9)
Note. CNC EMERG. will always be assigned to I1/O1 of the PLC with an 8055/55i CNC. With an 8070
CNC, it may be assigned to any I/O of the PLC. The contacts associated with relays - KA2, - KA3, -
KA4, - KA5, - KA6 and - KA7 are shown inside a circle in figure
F. H1 0/9 and the contactor - KM1 in fig-
ure
F. H1 0/11 .
OPERATION DIAGRAM. PS-65A
Note. The relay - KA3 uses delayed
deactivation (t seconds) maintaining
the DRIVE ENABLE control signal
active for a few seconds to maintain
motor torque while the vertical axis
holding brake is enabled.
See parameter GP9 in the
“man_dds_soft.pdf” manual
PE
- S1
MECHANICAL
MAIN SWITCH
- F3
- F4
- F5
MAINS FILTER 130A
L1
L3L2L1
3x400-460 VAC
2x400-460 VAC
R
S
T
R
S
T
CONTACTOR
- KM1
L2
N
- Q1
DIFFERENTIAL
BREAKER
WARNING. When using an isolating transformer, the secondary must be
connected in star and its middle point must be connected to GND.
POWER MAINS
IT A MUST TO USE FUSES
TO THE POWER CONNECTOR
PS-65A POWER SUPPLY
TO THE X1 CONNECTOR
APS 24 AUXILIARY
POWER SUPPLY
Note. Observe that having the main key - S1 closed, although the
power contactor - KM1 is open, the external APS-24 auxiliary
power supply remains connected through its connector X1 to feed
the control circuits of the drive.
GENERAL DIAGRAM. PS-65A

Related product manuals