EasyManua.ls Logo

Fagor PS-65A - Page 343

Fagor PS-65A
386 pages
Print Icon
To Next Page IconTo Next Page
To Next Page IconTo Next Page
To Previous Page IconTo Previous Page
To Previous Page IconTo Previous Page
Loading...
Connection diagrams
CONNECTION DIAGRAMS
Diagrams with a XPS power supply
10.
343
DDS
HARDWARE
Ref.1310
F. H1 0/1 6
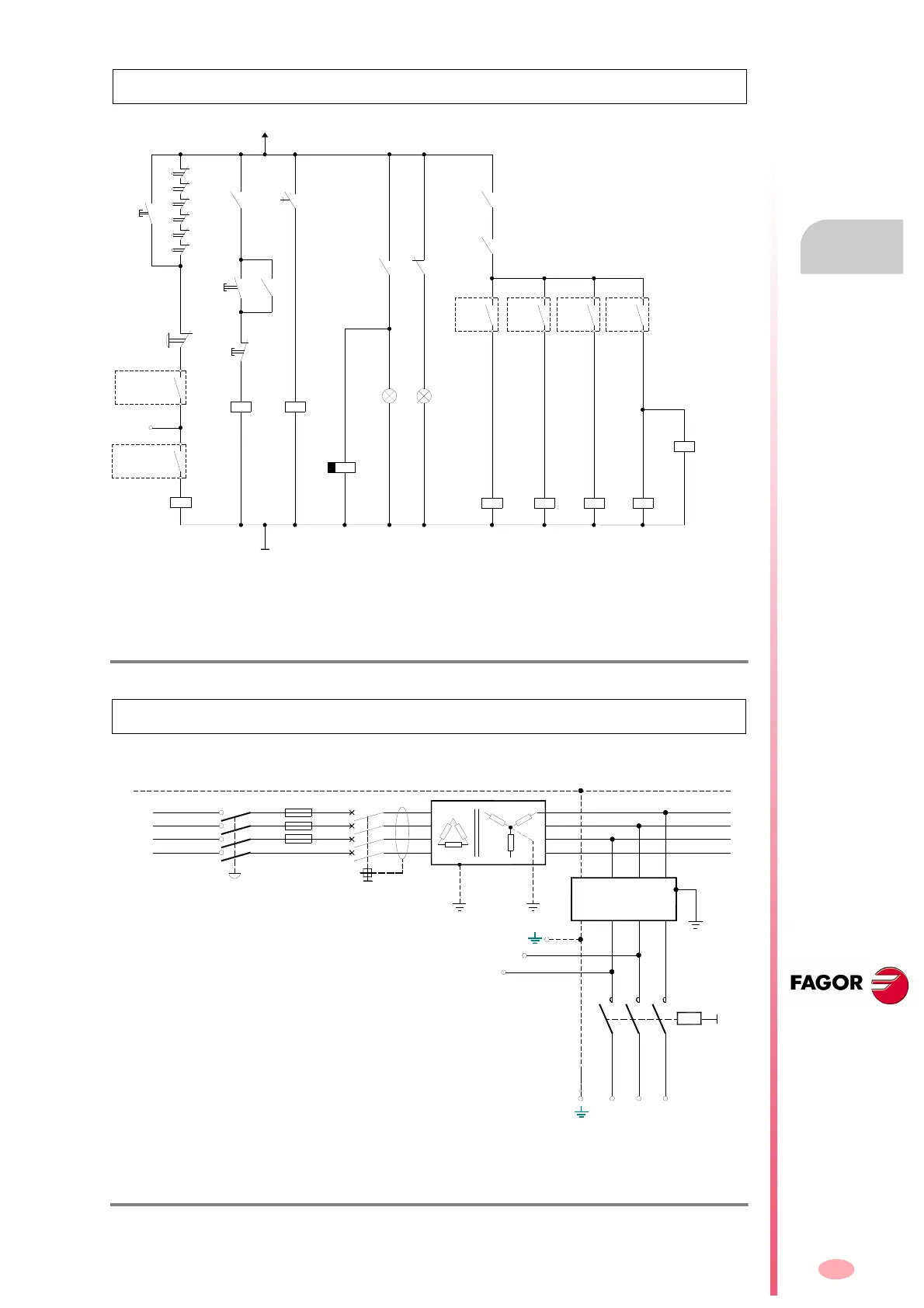
System with a XPS power supply. Diagram of the maneuver.
F. H1 0/1 7
General diagram of a DDS system with a XPS power supply.
+24VDC
EMERGENCY
X+
X-
Y+
Y-
Z+
Z-
EMERG.
STOP
XPS
SYSTEM OK
I1 PLC
CNC EMERG.
O1 PLC
EMERGENCY LINE
GND
Delay off
-KA3
DRIVE
ENABLES
(See GP9)
SYSTEM
SPEED
ENABLE
-KA2
-KM1
ON
OFF
KA2
KA1 KA3
KA2 KA2
ON
Green
OFF
Red
ON OFF to SPEED ENABLES
-KA7
-KA4
-KA5 -KA6
BRAKE
CONTROL
BRK
(See GP9)
CNC
ENABLE
X
CNC
ENABLE
S
CNC
ENABLE
Y
CNC
ENABLE
Z
KA2
KA1
-KA1
t seconds
Note. CNC EMERG. will always be assigned to I1/O1 of the PLC with an 8055/55i CNC. With an 8070
CNC, it may be assigned to any I/O of the PLC. The contacts associated with relays - KA2, - KA3, - KA4,
- KA5, - KA6 and - KA7 are shown inside a circle in figure
F. H10/15 and the contactor - KM1 in figure
F. H10/17.
Note. The relay - KA3 uses delayed deac-
tivation for contactor - KM1 (t seconds) in
order to be able to keep it closed long
enough to return to mains the excess
energy generated while braking the motor.
Make sure that the delay t programmed at
relay - KA3 is slightly longer than the brak-
ing time until the motor comes to full stop.
See also parameter GP9 in the
“man_dds_soft.pdf” manual.
OPERATION DIAGRAM. XPS-XX
PE
- S1
MECHANICAL
MAIN SWITCH
- F3
- F4
- F5
MAINS FILTER xxA
L1
L3
L2L1
3x400-460 VAC
2x400-460 VAC
R
S
T
R
S
T
CONTACTOR
- KM1
L2
N
- Q1
DIFFERENTIAL
BREAKER
WARNING. When using an isolating transformer, the secondary must be
connected in star and its middle point must be connected to GND.
POWER MAINS
IT A MUST TO USE FUSES
TO THE POWER CONNECTOR
XPS-XX POWER SUPPLY
TO THE X3 CONNECTOR
XPS-XX POWER SUPPLY
Note. Observe that having the main key - S1 closed, although the
power contactor - KM1 is open, the internal auxiliary power supply
of the XPS remains connected through its connector X3 to feed the
control circuits of the drive.
GENERAL DIAGRAM. XPS-XX