EasyManua.ls Logo

Falcon Professional+ FX - Circuit Diagram

Falcon Professional+ FX
48 pages
Print Icon
To Next Page IconTo Next Page
To Next Page IconTo Next Page
To Previous Page IconTo Previous Page
To Previous Page IconTo Previous Page
Loading...
37
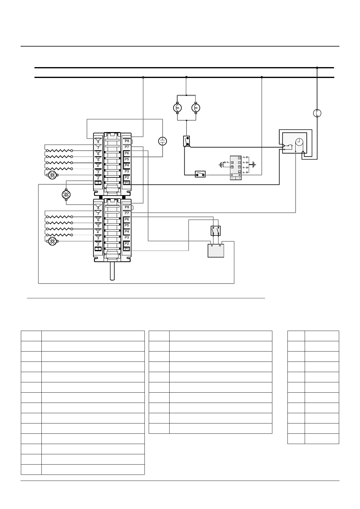
11. Circuit diagram
a
b
e
f
c
d
1
2
A
N
N
A
1 2
b
gy
w
y
o
b
gy
w
y
o
v
v
r (f)
r
r
r
r
br
r
r
r
v
br
b
bk
v
v
vbr
br
br
r
w
bb
rbr
r
bk
bk
r
bk
Black boots
Clear boots
r (f)
r (f)
r (f)
bk
bk
bk
bk
bkr
bk
bk
bk
b
D2
C4
G2
K
A2
B
D1
C3
G1
D5
E
C2
G2
D4
L
C5
C1
J
D3
I
H
F
A1
bk
K
I
h1
h1
h1
h1
h1
h3
h3
h3
h3
h3
h5
h3
h3
h4
h4
h3
h3
h1
h1
h1
h1
h1
h2
h2
h2
h2
h2
h2
h2
h2
h2
h1
h1
h1
w1
w2
w4
w5
w6
Ref Number Par number Quanty Colour Descripon
h2
P048243 1
w/or/b/gr/v/r/y/br
DRONE HARNESS
h1
P048244 1
w/or/b/gr/v/r/y/br
MASTER HARNESS
h3
P048245 1
bk/b/r/br
FEED HARNESS
w6
P048246 1
r
WIRE ASSY SPARK GEN
w1
P045123 1
w
WIRE ASSY LIGHTS NEUTRAL
w3
P045124 2
g/y
WIRE ASSY EARTHS (not illustrated)
w2
P048247 1
bk
PROTECT FEED
h4
P045216 1
b/r
NEON FEED HARNESS
w4
P048249 1
g/y
WIRE ASSY - GENERATOR EARTH
h5
P040945 1
clear
HT HARNESS
w5
P049233 1
bk
FEED WIRE
Key
The connections shown in the circuit diagram are for single-phase. The ratings are for 230 V 50 Hz.
Code Colour
b
Blue
br
Brown
bk
Black
or
Orange
r
Red
v
Violet
w
White
y
Yellow
g/y
Green/yellow
gr
Grey
Code Description
A1
Multi-function oven master switch
A2
Multi-function oven drone switch
B
Multi-function oven thermostat
C1
Right-hand base element
C2
Right-hand top outer element
C3
Right-hand top inner element
C4
Right-hand fan element
C5
Right-hand fan
D1
Left-hand base element
D2
Left-hand top outer element
D3
Left-hand top inner element
D4
Left-hand fan element
D5
Left-hand fan
Code Description
E
Cooling fan
F
Clock
G1
Oven light switch
G2
Oven light
H
Tap switches
I
Spark generator
J
Oven neon
K
Thermal cut-out
L
Divider switch

Related product manuals