EasyManua.ls Logo

Falcon SSG3KRM-1 - Page 5

Falcon SSG3KRM-1
48 pages
Print Icon
To Next Page IconTo Next Page
To Next Page IconTo Next Page
To Previous Page IconTo Previous Page
To Previous Page IconTo Previous Page
Loading...
5
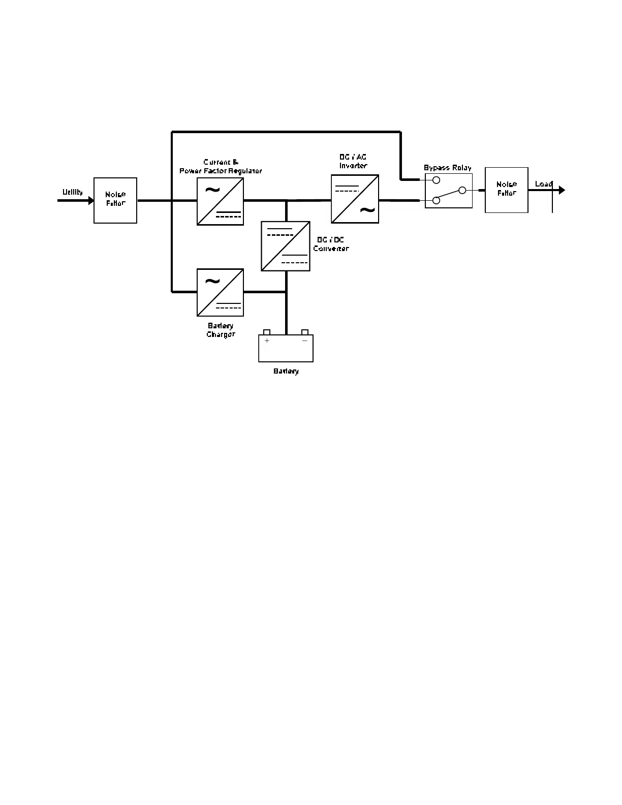
Double Conversion On-line UPS Block Diagram

Other manuals for Falcon SSG3KRM-1

Related product manuals