EasyManua.ls Logo

FARFISA INTERCOMS 924N - Si 250;5: Intercommunicating System Diagram; Intercommunicating System Diagram

Default Icon
50 pages
Print Icon
To Next Page IconTo Next Page
To Next Page IconTo Next Page
To Previous Page IconTo Previous Page
To Previous Page IconTo Previous Page
Loading...
39
8 GbD-02
P3
P4
P2
P1
7
5
6
3
2
1
P2
P4
P3
P1
7
5
6
3
2
1
P1
P4
P3
P2
7
5
6
3
2
1
P4
P3
P2
P1
7
5
6
3
2
1
P4
P3
P2
P1
7
5
6
3
2
1
CT4
+SP
+RS
CT5
+SP
+RS
CT3
+SP
+RS
CT2
+SP
+RS
CT1
+SP
+RS
4
3
2
1
xn
x4
x3
x2
230V
0
127V
AL
G2 7
C+
DA +
98753
6
7a
8a
9a
1
2
3
4
1
2
3
4
4
2
1
7b
8b
9b
PE
DS
PA
PA
PE
SE
SE
x2
x2
xn
" a "
xn
MD
MD
" b "
Mody
ErreP/R
ErreP/R
Mody
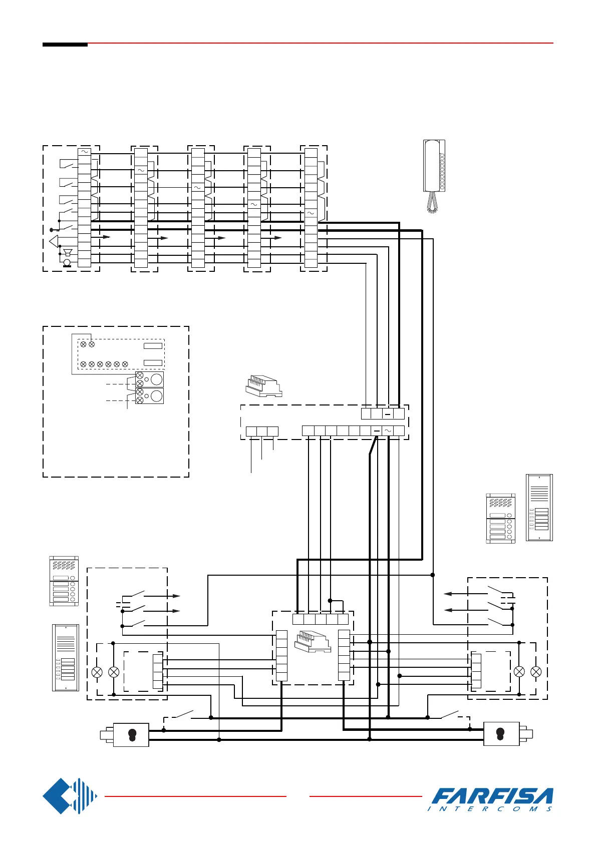
Intercommunicating
Gegensprechanlagen
Si 250/5
5 INTERCOMMUNICATING INTERCOMS CONNECTED TO TWO DOOR
STATIONS WITH AUTOMATIC SWITCHING AND WITH INDIVIDUAL CALL.
ELECTRONIC BELL FOR INTERNAL CALLS.
MEHRFAMILIENHAUS SPRECHANLAGE MIT 5 HAUSTELEFONE, 2 UMSCHALTBARE TÜR-
STATIONEN UND INTERNEN GEGENSPRECHVERKEHR MIT ELEKTRONISCHEM KLANG-
RUF FÜR INTERNRUFE.
In all intercoms connect one of the two
terminals of the single button unit to
terminal 7.
In allen Haustelefonen muß eine der
Anschlußklemmen der Zusatztasten mit
der Klemme 7 verbunden werden.
9 7
2315P16
P2
P3

Related product manuals