EasyManua.ls Logo

Farfisa SE7PG - System Operation and Intercom; Single-Family System Diagram; Intercom Call Functionality

Farfisa SE7PG
8 pages
Print Icon
To Next Page IconTo Next Page
To Next Page IconTo Next Page
To Previous Page IconTo Previous Page
To Previous Page IconTo Previous Page
Loading...
- 6 -
Mi 2564/1
ITALIANOENGLISHFRANÇAISESPAÑOLPORTUGUÊSDEUTSCH
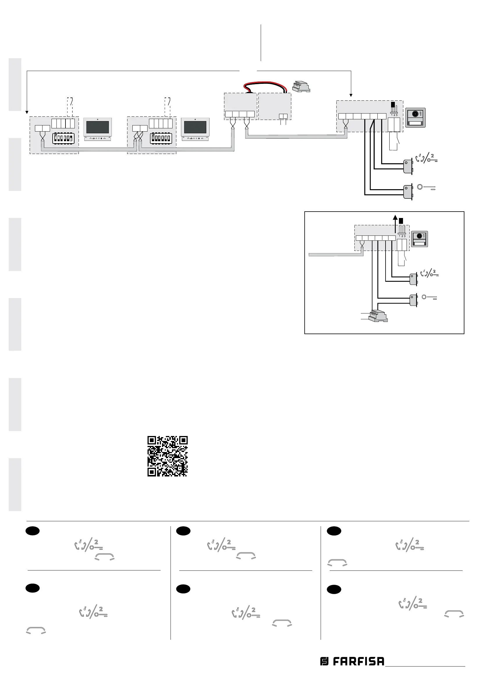
IMPIANTO VIDEOCITOFONICO MONOFAMILIARE 2 MONITOR
VIDEOINTERCOM BASIC SYSTEM (one house) 2 MONITORS
SYSTEME DE VIDEOPHONIE MAISON AVEC 2 MONITEURS
SISTEMA VIDEOPORTERO (una casa) 2 MONITORES
SISTEMA VIDEOPORTERO (uma casa) 2 MONITORES
VIDEOTÜRSPRECHANLAGE EINFAMILIENHAUS MIT
2 MONITOREN
FP= Pulsante chiamata di piano (opzionale)
Floor call push-button (optional)
Bouton-poussoir de palier (optionnel)
Pulsador de piso (opcional)
Botão de patamar (opcional)
Treppenhausruftaste (Zusatztaste)
IT
Chiamata intercomunicante
Premere il tasto , selezionare la voce
"inner call" e premere .
ES
Llamada interna: con otros
dispositivos
Presione la tecla , seleccione el
elemento "inner call" y presione la tecla
.
EN
Intercom call with other devices
Press the key, select the "inner call"
item and press the key.
PT
Chamada de intercomunicador
com outros dispositivos
Pressione a tecla , selecione o item
"inner call" e pressione a tecla .
FR
Appel d'intercommunication
Appuyez sur le bouton , sélectionnez
l'élément "inner call" et appuyez sur le bouton
.
DE
Gegensprechanruf
Drücken Sie die Taste , wählen Sie
"Inner Call" und drücken Sie die Taste .
SE1,2 = Serratura elettrica
Electric door lock
Gâche électrique
Cerradura eléctrica
Fechadura eléctrica
elektrisches Türschloss
PA1 = Pulsante apriporta SE1 (opzionale)
Door SE1 release push-button (optional)
Bouton-poussoir ouvre porte SE1 (optionnel)
Pulsador abrepuerta SE1 (opcional)
Botão para abrir a porta SE1 (opcional)
Türönertaste SE1 (Zusatztaste)
PA1
CVPG
LK-1BT
GND
LI LI NO S1+ C S2+
Optional
TR
110-240VAC
SE2: 12Vcc-0,25
Amax
12Vdc-0,25
Amax
12Vgs-0,25
Amax
SE1: 12Vca-1Amax
12Vac-1Amax
12VWs-1Amax
PA1
100 m
FP
LO LO
CVPG
SE7PG
SW-
SW+
ON
1
2
3
4
5
6
LK-1BT
GND
LI LI NO S1+ CS2+
GND
RING
BUS-IN
IM IM DS DS
NL
PRSPG/1
SE2: 12Vcc-0,25 Amax
12Vdc-0,25 Amax
12Vgs-0,25 Amax
100-240VAC
SE1: 12Vcc-1Amax
12Vdc-1Amax
12Vgs-1Amax
FP
LO LO
SE7PG
SW-
SW+
ON
1
2
3
4
5
6
GND
RING
BUS-IN
- E' necessaria la congurazione di uno dei due monitor come
"slave", per eseguire l'impostazione e per informazioni su
funzioni opzionali, si prega di consultare la pagina web:
- It is necessary to congure one of the two monitors as a
slave, to perform the setting and for information on optional
functions, please consult the web page:
- Il est nécessaire de congurer l'un des deux moniteurs
comme "slave", pour e󰀨ectuer le réglage et pour obtenir
des informations sur les fonctions optionnelles, veuillez
consulter la page web:
- Es necesario congurar uno de los dos monitores como
"slave", para realizar el ajuste y para obtener información
sobre funciones opcionales consultar la página web:
- É necessário congurar um dos dois monitores como "sla-
ve", para realizar a conguração e para obter informações
sobre as funções opcionais, consulte a página web:
- Es ist erforderlich, einen der beiden Monitore als "Slave"
zu kongurieren, die Einstellung vorzunehmen und Infor-
mationen zu optionalen Funktionen auf der Webseite zu
erhalten:
https://www.farsa.com/images/pdf/mi2564_extended.pdf

Related product manuals