EasyManua.ls Logo

Federal RSSM360 - Page 56

Federal RSSM360
76 pages
Print Icon
To Next Page IconTo Next Page
To Next Page IconTo Next Page
To Previous Page IconTo Previous Page
To Previous Page IconTo Previous Page
Loading...
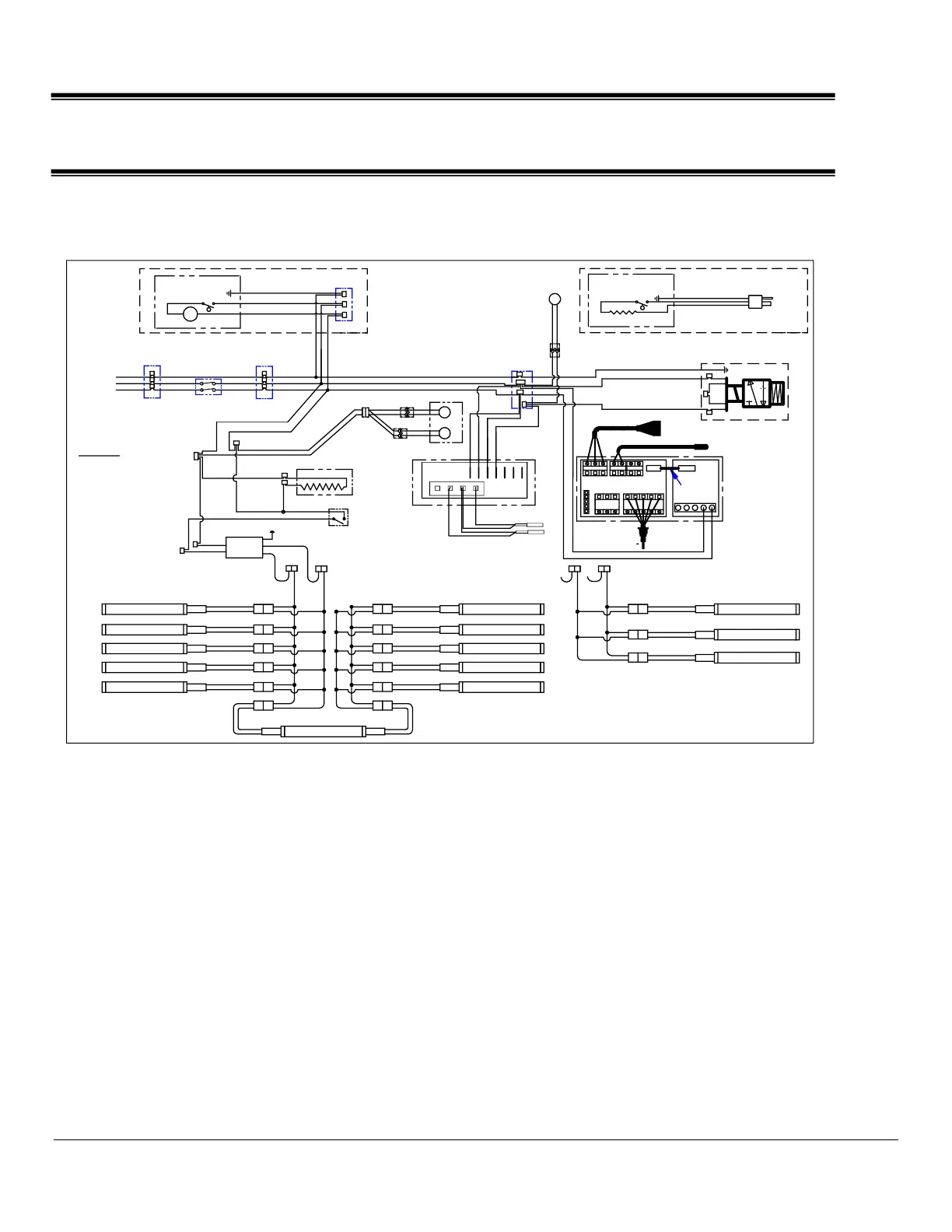
WIRING DIAGRAM
RSSM & RSSD REMOTE
BLK
R
R
BLK
R
G
R
BLK
G
BLK
12GA.
14GA.
14GA.
R
BLK
14GA.
12GA.
12GA.
12GA.
BLK
14GA.
G
POWER IN
R
BLK
G
POWER SWITCH
FIELD WIRING BOX
TEMP. PROBE PBI
DE FROS T PROBE PB2
14GA.
18GA.
BLK
OR
RED
WW
BLK
BLK
ELECTRON IC
CONT ROLLER
11 10 9 8
7
6
54
BLK
OR
RED
BLK
OR
RED
208 - 240 VOLTS
50/60 HERTZ
1 PHASE
R
G
BLK
14GA.18GA.
R
Y
POWER IN
REMOTE 208-240V 50/60HZ
RSSM/RSSL/RSSD/ERSSHP 3,4,5,&6
ELECTRONIC CONTROL CIRCUIT
& LED LIGHT CIRCUIT
91-21065-11 10/16/18
R
B
-
+
-
+
-
+
PLUG & SOCKET
PLUG
TOP LIGHT LED
VERTICLE LIGHT LED
VERTICLE LIGHT LED
+ R
-B
LIGHTING CIRCUIT FOR
ERSSHP, RSSD & RSSM
WITH VERTICAL LIGHTS
R
SOLE NOID VALVE
COIL
BLK
Y
BL
PLUG
M
R
BL (OR) W
G
FLOAT SWITCH
M
G
BLK
BR (OR) BLK
CONDENS ATE PUMP
FLOAT SWITCH
OPTIONAL FIELD INSTALLED
CONDENSATE EVAPORATOR
G
SEPERATE 120V 15A
CIRCUIT REQUIRED
BLK
BASE FAN
INSTALLED WHEN OPTIONAL
CONDENSATE PAN IS USED
STANDARD ON ALL REMOTES
BLK
R
EEV
5
4
3
2
1
SUCTION SENSOR
PRESS. TRANS.
Blk
Blk
Red
Wht
Yel
Grn
Org
Red
RSV-Blue
Empty
AB
Sh
GrnBlk
TEMP 3
Red TEMP 2TEMP 1
RIBBON
CABLE
LIGHTING CIRCUIT
R
B
-
+
R B
-
+
-
+
+ -
-
+
-
+
PLUG & SOCKET
PLUG
-
+
SHELF LIGHT LED
SHELF LIGHT LED
SHELF LIGHT LED
SHELF LIGHT LED
SHELF LIGHT LED
TOP LIGHT LED
STANDARD TOP LIGHT &
OPTIONAL SHELF LIGHTS
QTY ( 2 TO 5 ) PER CASE
-
+
R
B
-
+
-
+
-
+
-
+
PLUG & SOCKET
PLUG
-
+
SHELF LIGHT LED
SHELF LIGHT LED
SHELF LIGHT LED
SHELF LIGHT LED
SHELF LIGHT LED
R
+
B -
OPTIONAL SHELF LIGHTS
6' CASE ONLY QTY ( 2 TO 5 )
PER CASE SIDE
FAN
FAN
M
PLUG
PLUG
M
PLUG
R
BLK
BLK
BLK RIBBED
BLK/BL
SWITCH
LIGHT
RED/WHITE
ANTI-SWEAT HEATER
W
W
R
G
BLK
W
POWER
SUPPLY
24V. OUTPUT
B -
R +
W = WHITE
R = RED
BR = BROWN
G = GREEN
BL = BLUE
Y = YELLOW
COLOR CODE
BLK = BLACK
Y/G = YELLOW/GREEN STRIPE
BLK/BL = BLACK/BLUE STRIPE
USE COPPER CONDUCTORS
UNIT MUST BE GROUNDED
SUPPLY CONNECTIONS
ONLY FOR POWER
Refrigerated Self-Serve Merchandiser (High Profile) Page 43

Table of Contents