EasyManua.ls Logo

Fermax Bruto - Page 49

Fermax Bruto
60 pages
Print Icon
To Next Page IconTo Next Page
To Next Page IconTo Next Page
To Previous Page IconTo Previous Page
To Previous Page IconTo Previous Page
Loading...
49
VDS - DIRECT - DIGITVDS - DIRECT - DIGIT
VDS - DIRECT - DIGITVDS - DIRECT - DIGIT
VDS - DIRECT - DIGIT
AL - KITAL - KIT
AL - KITAL - KIT
AL - KIT
s 199s 199
s 199s 199
s 199
VDS - DIRECT - DIGITVDS - DIRECT - DIGIT
VDS - DIRECT - DIGITVDS - DIRECT - DIGIT
VDS - DIRECT - DIGIT
AL - KITAL - KIT
AL - KITAL - KIT
AL - KIT
s 199s 199
s 199s 199
s 199
P
Monitores em distribuição
IT
Monitor da distribuzione
R
Распределительное
расположение мониторов
4.-
E
Monitores en distribución
EN
Monitors in distribution
F
Moniteurs en distribution
D
Monitore bei Verteilung
L
+
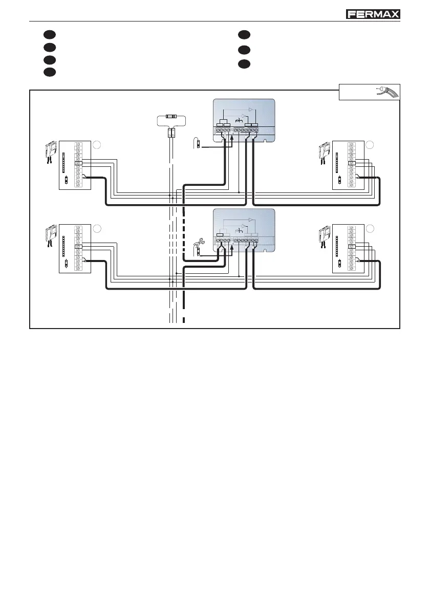
2 OUTPUTS VIDEO DISTRIBUTOR
DISTRIBUIDOR VIDEO 2 SALIDAS
V
5
V
1
M
+18
75
M
R1
34
+
V
2
REF.2448
6
VM M
DISTRIBUIDOR VIDEO 2 SALIDAS
2 OUTPUTS VIDEO DISTRIBUTOR
75
REF.2448
V
1
R1
+18
VM
5
M
4
+
3
MMV
2
V
6
-
-
L
+
COAX
(-)
(-)
n-2
n-1
+
L
1-2
1-1
CT
+
M
V
M
V
F1
T
A
L
-
F2
CN1
CT
+
M
V
M
V
F1
T
A
L
-
F2
CN1
CT
+
M
V
M
V
F1
T
A
L
-
F2
CN1
CT
+
M
V
M
V
F1
T
A
L
-
F2
CN1
10 Kohm
R
R
Loft
VDSVDS
VDSVDS
VDS

Table of Contents

Other manuals for Fermax Bruto

Related product manuals