EasyManua.ls Logo

Fermax Bruto - Inputting and Deleting Access Codes

Fermax Bruto
60 pages
Print Icon
To Next Page IconTo Next Page
To Next Page IconTo Next Page
To Previous Page IconTo Previous Page
To Previous Page IconTo Previous Page
Loading...
52
VDS - DIRECT - DIGITVDS - DIRECT - DIGIT
VDS - DIRECT - DIGITVDS - DIRECT - DIGIT
VDS - DIRECT - DIGIT
AL - KITAL - KIT
AL - KITAL - KIT
AL - KIT
s 199s 199
s 199s 199
s 199
VDS - DIRECT - DIGITVDS - DIRECT - DIGIT
VDS - DIRECT - DIGITVDS - DIRECT - DIGIT
VDS - DIRECT - DIGIT
AL - KITAL - KIT
AL - KITAL - KIT
AL - KIT
s 199s 199
s 199s 199
s 199
VM
-
+
CT
..........
..........
....
....
-
L
+
Ct
L
B
S
EXT.
INT.
C
B
No
+-
+12
Nc
JP2
12 Vac
JP2
PLACA
TELEFONO
1
2
HIGH RESOLUTION
FLAT MONITOR
V
M
-+-+
Vac
18 Vdc
~~
Vac
12 Vac
+
1
8
V
1
.
5
A
5
0
-
6
0
H
z
.
5
0
V
A
M
A
X
.
1
2
V
1
A
F
U
E
N
T
E
A
L
I
M
E
N
T
A
C
I
O
N
K
IT
DIGI
T
A
L
M
A
D
E
I
N
S
P
A
I
N
D. max.
H
I
G
H
R
E
S
O
L
U
T
I
O
N
C
C
D
C
A
M
E
R
A
P
A
N
&
T
I
L
T
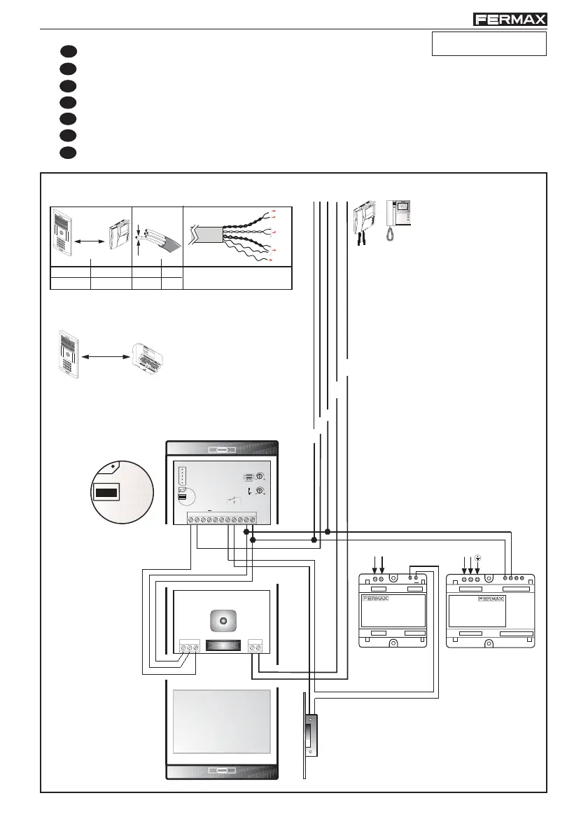
1.-
E
Instalación de vídeo
EN
Video installation
F
Installation vidéo
D
Videoinstallation
P
Instalacão de vídeo
IT
Installazione video
R
Подключение видео
30 m.
90 pies
DIRECT - DIGITAL
50 - 100 mm1,5
2
S
metros / metres
pies / feet
AWG
150 - 300
mm
2
15
1 - 50
mm1
2
3 - 150 17
UTP CAT5
-
L
V
M
+
BUS 5
hilos / wires
D
H
I
G
H
R
E
S
O
L
U
T
I
O
N
C
C
D
C
A
M
E
R
A
P
A
N
&
T
I
L
T
VDSVDS
VDSVDS
VDS
5hilos-wires5hilos-wires
5hilos-wires5hilos-wires
5hilos-wires
UTP CAUTP CA
UTP CAUTP CA
UTP CA
T5T5
T5T5
T5

Table of Contents

Other manuals for Fermax Bruto

Related product manuals