EasyManua.ls Logo

Fermax LOFT COMPACT 4+N COLOUR - Page 21

Fermax LOFT COMPACT 4+N COLOUR
Print Icon
To Next Page IconTo Next Page
To Next Page IconTo Next Page
To Previous Page IconTo Previous Page
To Previous Page IconTo Previous Page
Loading...
Pag 21
Ct
+
M
V
V
F2
4
3
1
-
F1
2
6
TA
P6P2
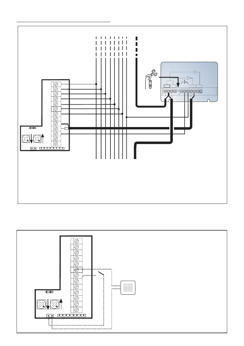
Connexions
REMARQUES :
- Il ne peut y avoir que 100 moniteurs maximum dans une installation 4+n.
- Afin de raccorder un moniteur supplémentaire dans le même logement, il faut
ajouter un multiplicateur d’appel réf. 2340.
1,2,3,6 : fils communs audio.
4 : fil d’appel.
+, - : alimentation (18 Vcc).
V : conducteur intérieur (coaxial - vidéo).
M : maille - conducteur extérieur
(coaxial - vidéo).
Ct : activation caméra vidéo (10 Vcc).
A, + : prolongateur d’appel.
T, - : bouton-poussoir d’appel de la porte du logement.
F1, F2 : fonctions supplémentaires (sortie négatif « -
»).
Courant maximal par bouton-poussoir F1,F2 : 50 mA à 12
Vcc.
A, + : prolongateur d’appel.
P1
P1 (T, - ) : bouton-poussoir d’appel porte
logement.
2 OUTPUTS VIDEO DISTRIBUTOR
DISTRIBUIDOR VIDEO 2 SALIDAS
V
5
V
1
M
+18
75
M
R1
34
+
V
2
REF.2448
6
VM M
(-)
R
6
+
-
43
1
2
CT COAX
Ct
+
M
V
V
F2
4
3
1
-
F1
2
6
TA
P6P2
Prolongateur d’appel

Related product manuals