EasyManua.ls Logo

Ferris HydroCut HC32KAV13 - Engine, PTO & Deck Drive Idler Group - Electric Start

Ferris HydroCut HC32KAV13
54 pages
Print Icon
To Next Page IconTo Next Page
To Next Page IconTo Next Page
To Previous Page IconTo Previous Page
To Previous Page IconTo Previous Page
Loading...
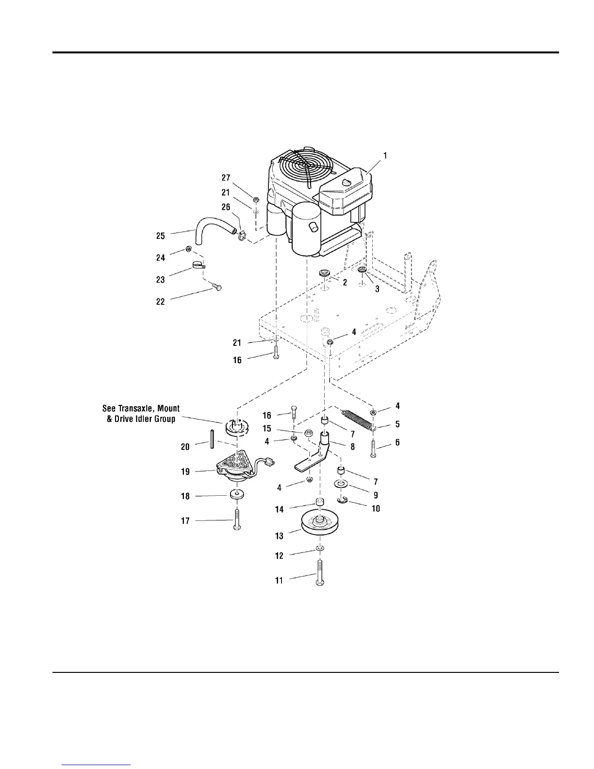
Engine, PTO & Deck Drive Idler Group - Electric Start
077engw1
NOTE: Unless noted otherwise,
use the standard hardware torque
specification chart.
The above parts group applies to the following Mfg. Nos.:
2005
16
© Copyright Ferris Industries. All Rights Reserved.
HC36KAV13E
5900604
TP 400-7077-08-HC-F

Related product manuals