EasyManua.ls Logo

Ferris HydroCut HC32KAV13 - Transaxle & Mount Group

Ferris HydroCut HC32KAV13
54 pages
Print Icon
To Next Page IconTo Next Page
To Next Page IconTo Next Page
To Previous Page IconTo Previous Page
To Previous Page IconTo Previous Page
Loading...
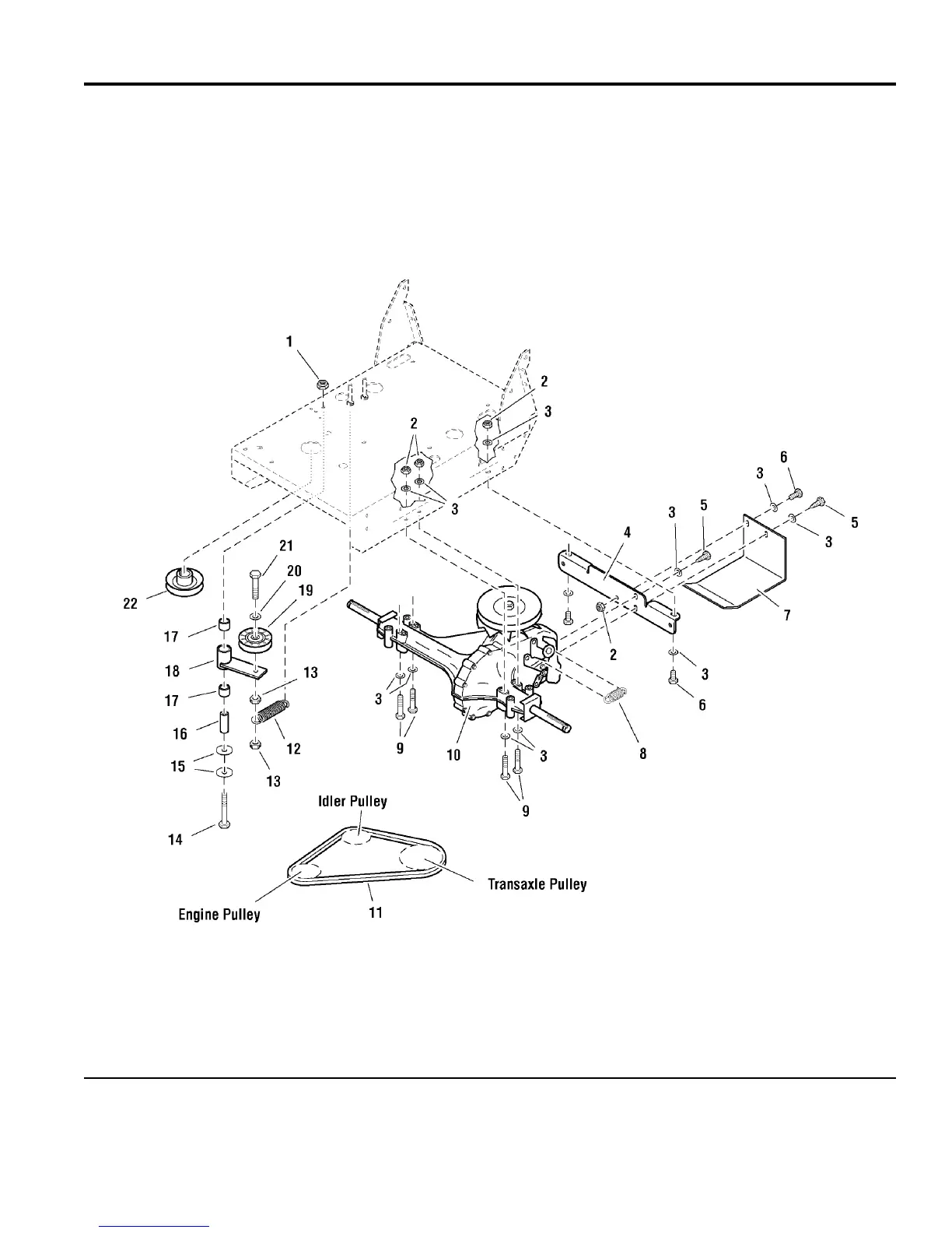
Transaxle & Mount Group
077TRN0
NOTE: Unless noted otherwise,
use the standard hardware torque
specification chart.
The above parts group applies to the following Mfg. Nos.:
2005
22
© Copyright Ferris Industries. All Rights Reserved.
5900604
HC36KAV13E
HC32KAV13
TP 400-7077-08-HC-F

Related product manuals