EasyManua.ls Logo

Ferris HydroCut HC32KAV13 - Transaxle - SERVICE PARTS

Ferris HydroCut HC32KAV13
54 pages
Print Icon
To Next Page IconTo Next Page
To Next Page IconTo Next Page
To Previous Page IconTo Previous Page
To Previous Page IconTo Previous Page
Loading...
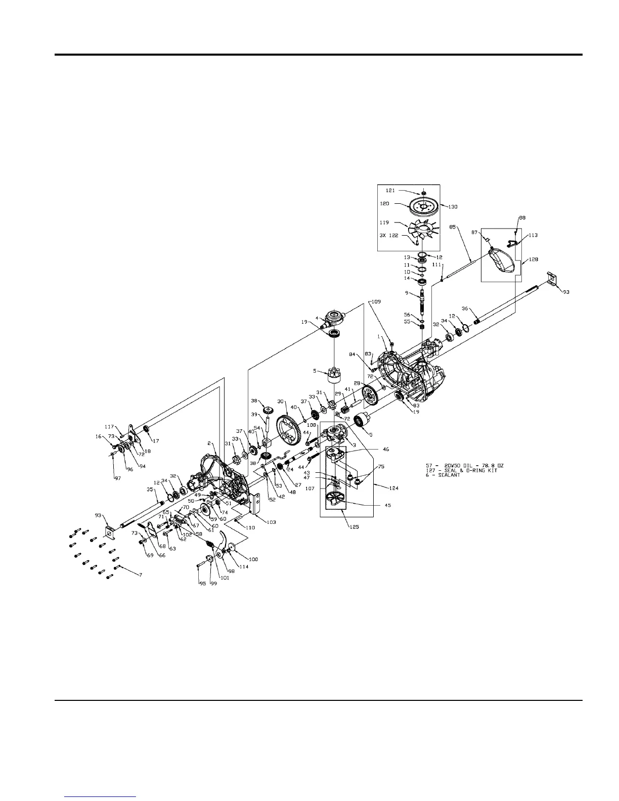
Transaxle - SERVICE PARTS
077TSP0
NOTE: Unless noted otherwise,
use the standard hardware torque
specification chart.
The above parts group applies to the following Mfg. Nos.:
2005
24
© Copyright Ferris Industries. All Rights Reserved.
HC36KAV13E
5900604
HC32KAV13
TP 400-7077-08-HC-F

Related product manuals