EasyManua.ls Logo

Ferris HydroCut HC32KAV13 - 32 Mower Deck - Height Adjustment

Ferris HydroCut HC32KAV13
54 pages
Print Icon
To Next Page IconTo Next Page
To Next Page IconTo Next Page
To Previous Page IconTo Previous Page
To Previous Page IconTo Previous Page
Loading...
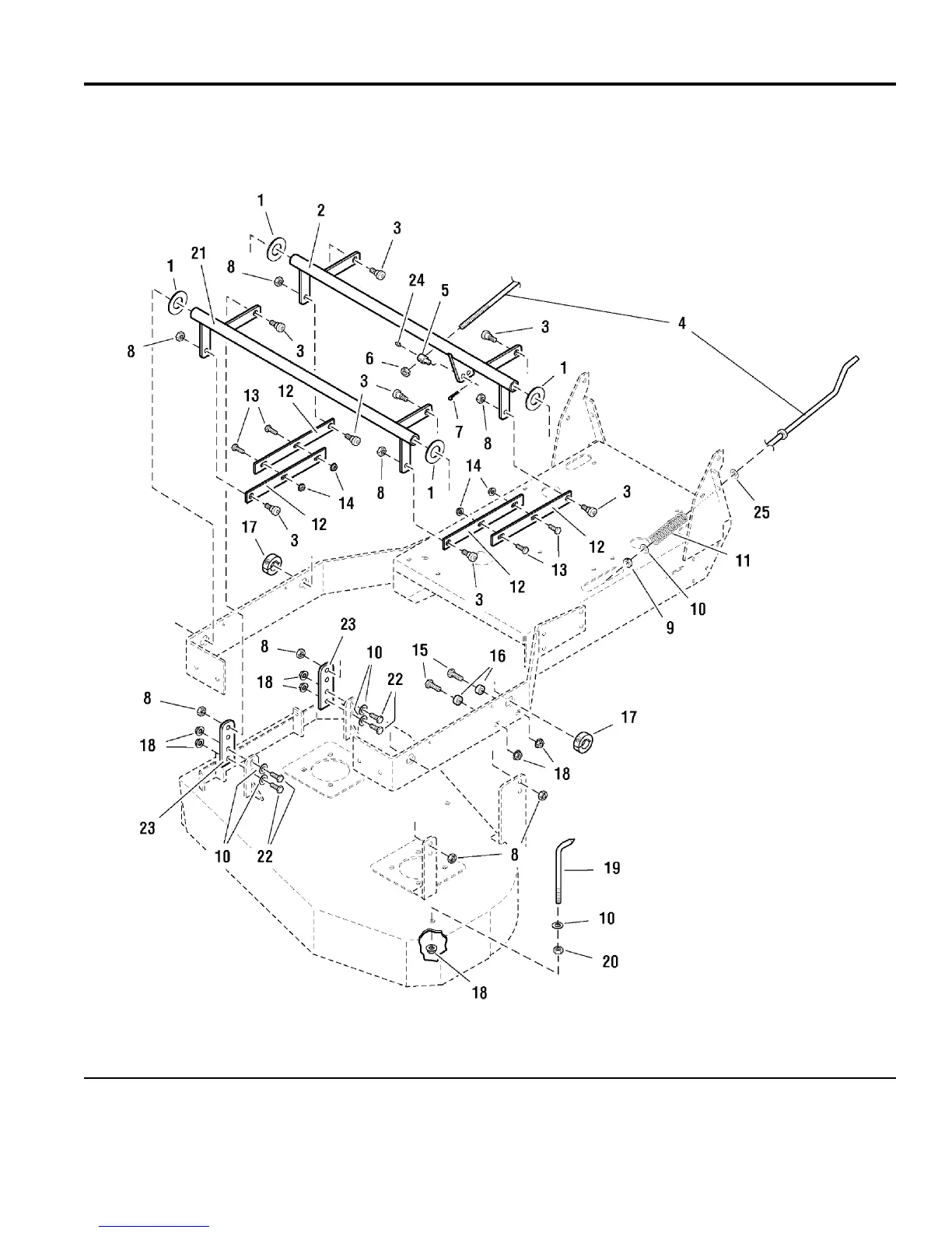
32" Mower Deck - Height Adjustment
0772HA0
NOTE: Unless noted otherwise,
use the standard hardware torque
specification chart.
The above parts group applies to the following Mfg. Nos.:
2005
34
© Copyright Ferris Industries. All Rights Reserved.
HC32KAV13
5900604
TP 400-7077-08-HC-F

Related product manuals