EasyManua.ls Logo

Ferroli DIVAtech C 24 D - Technical Data and Characteristics; Water Circuit; General View and Main Components

Ferroli DIVAtech C 24 D
Print Icon
To Next Page IconTo Next Page
To Next Page IconTo Next Page
To Previous Page IconTo Previous Page
To Previous Page IconTo Previous Page
Loading...
DIVAtech C 24 D
33
EN
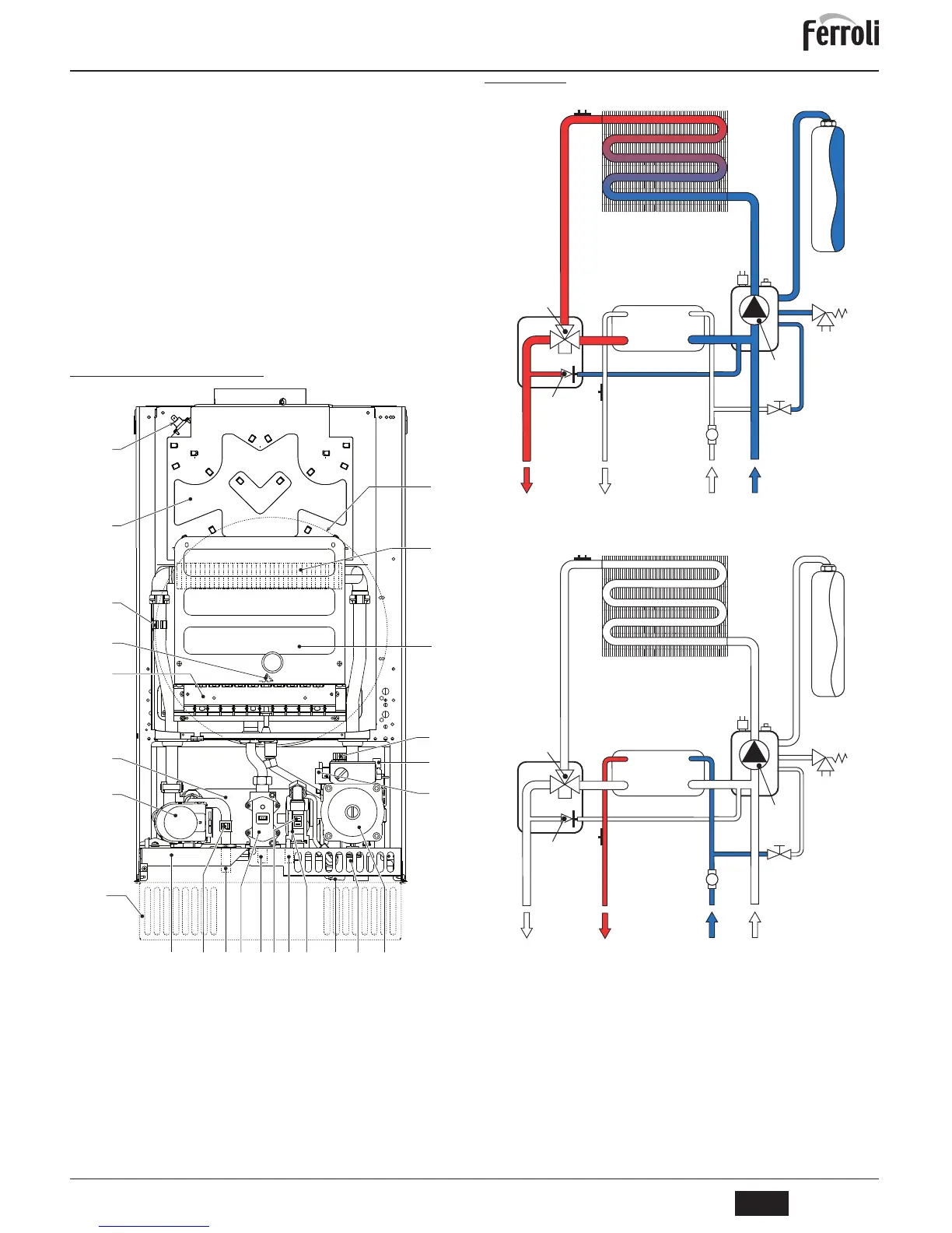
5. TECHNICAL DATA AND CHARACTERISTICS
Table. 3 - Key of figures cap. 5
5.1 General view and main components
fig. 13 - General view DIVAtech C 24 D
5.2 Water circuit
fig. 14 - Heating Circuit
fig. 15 - DHW Circuit
7
Gas inlet
44
Gas valve
8
DHW outlet
56
Expansion tank
9
Cold water inlet
72
Room thermostat (not supplied)
10
System delivery
74
System filling cock
11
System return
78
Anti-backflow device
14
Safety valve
81
Ignition and detection electrode
19
Combustion chamber
95
Diverter valve
22
Burner
114
Water pressure switch
27
Copper exchanger for heating and hot water
126
Fume thermostat
32
Heating circulating pump
138
External probe (not supplied)
36
Automatic air vent
139
Remote Timer Control (optional)
37
Cold water inlet filter
194
DHW water exchanger
38
Flow switch
241
Automatic bypass
39
Water flow limiter
278
Double sensor (Safety + Heating)
42
DHW temperature sensor
290
Antiwind grille (optional)
44 32
114
36
14
19
27
81
95
278
42 38
37
10 8 7 9 11
194
39 74
22
126
78
56
290
56
27
14
74
32
38
1110 8
9
278
95
241 42
114 36
194
56
27
14
74
32
38
1110 8
9
278
95
241 42
114 36
194
cod. 3540Z443 - Rev. 01 - 02/2015

Related product manuals