EasyManua.ls Logo

Ferroli DIVAtech C 24 D - Page 49

Ferroli DIVAtech C 24 D
Print Icon
To Next Page IconTo Next Page
To Next Page IconTo Next Page
To Previous Page IconTo Previous Page
To Previous Page IconTo Previous Page
Loading...
DIVAtech C 24 D
49
RO
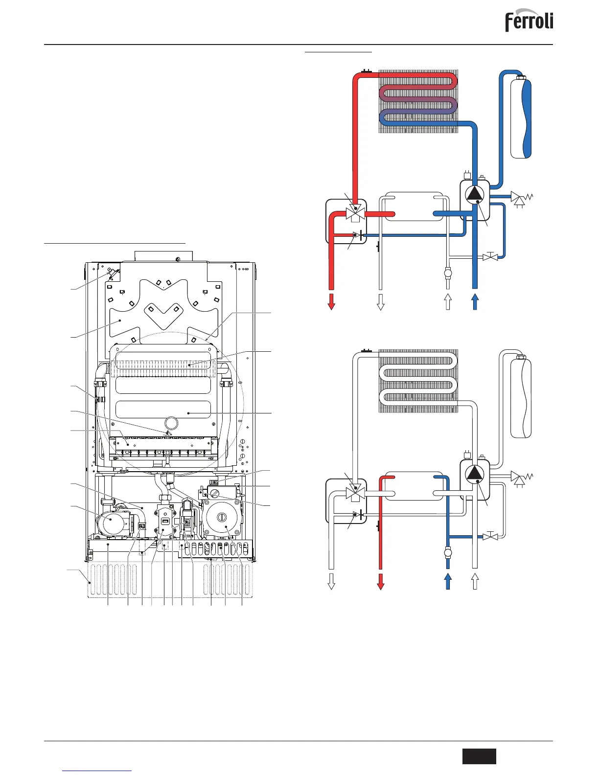
5. CARACTERISTICI úI DATE TEHNICE
Tabel. 3 - Legendă figuri cap. 5
5.1 Vedere generală úi componente principale
fig. 13 - Vedere generală DIVAtech C 24 D
5.2 Circuitul hidraulic
fig. 14 - Circuitul de încălzire
fig. 15 - Circuitul de apă caldă menajeră
7
Intrare gaz
44
Valvă de gaz
8
Ieúire apă caldă menajeră
56
Vas de expansiune
9
Intrare apă menajeră
72
Termostat de cameră (nu este furnizat)
10
Tur instalaĠie
74
Robinet de umplere instalaĠie
11
Retur instalaĠie
78
Dispozitiv antirefulare
14
Supapă de siguranĠă
81
Electrod de aprindere úi detectare
19
Cameră de ardere
95
Valvă deviatoare
22
Arzător
114
Presostat apă
27
Schimbător din cupru pentru încălzire úi apă caldă
menajeră
126
Termostat gaze arse
32
Pompă de circulaĠie încălzire
138
Sondă externă (nu este furnizată)
36
Evacuare automată aer
139
Cronocomandă la distanĠă (opĠional)
37
Filtru intrare apă rece
194
Schimbător de căldură apă menajeră
38
Fluxostat
241
Bypass automat
39
Limitator de debit apă
278
Senzor dublu (SiguranĠă + Încălzire)
42
Senzor temperatură apă menajeră
290
Grilă antivânt (opĠional)
44 32
114
36
14
19
27
81
95
278
42 38
37
10 8 7 9 11
194
39 74
22
126
78
56
290
56
27
14
74
32
38
1110 8
9
278
95
241 42
114 36
194
56
27
14
74
32
38
1110 8
9
278
95
241 42
114 36
194
cod. 3540Z443 - Rev. 01 - 02/2015

Related product manuals