EasyManua.ls Logo

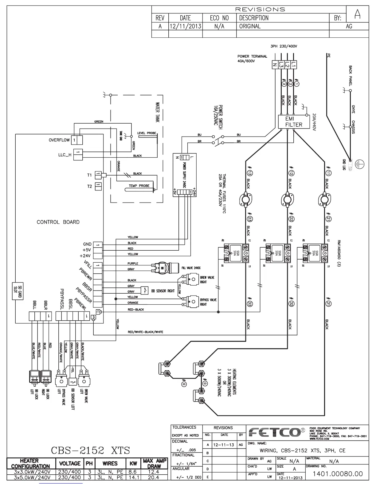
Fetco CBS-2152XTS - CBS-2152 XTS 3 PH CE Wiring Diagram; Wiring Schematics for 3 PH CE

Fetco CBS-2152XTS
36 pages
Print Icon
To Next Page IconTo Next Page
To Next Page IconTo Next Page
To Previous Page IconTo Previous Page
To Previous Page IconTo Previous Page
Loading...

Related product manuals