EasyManua.ls Logo

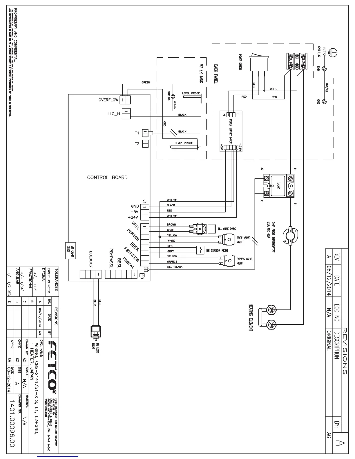
Fetco CBS-2152XTS - CBS-2141;51 XTS Japan 1 Heater Wiring Diagram; Wiring Schematics for Japan 1 Heater

Fetco CBS-2152XTS
36 pages
Print Icon
To Next Page IconTo Next Page
To Next Page IconTo Next Page
To Previous Page IconTo Previous Page
To Previous Page IconTo Previous Page
Loading...

Related product manuals