EasyManua.ls Logo

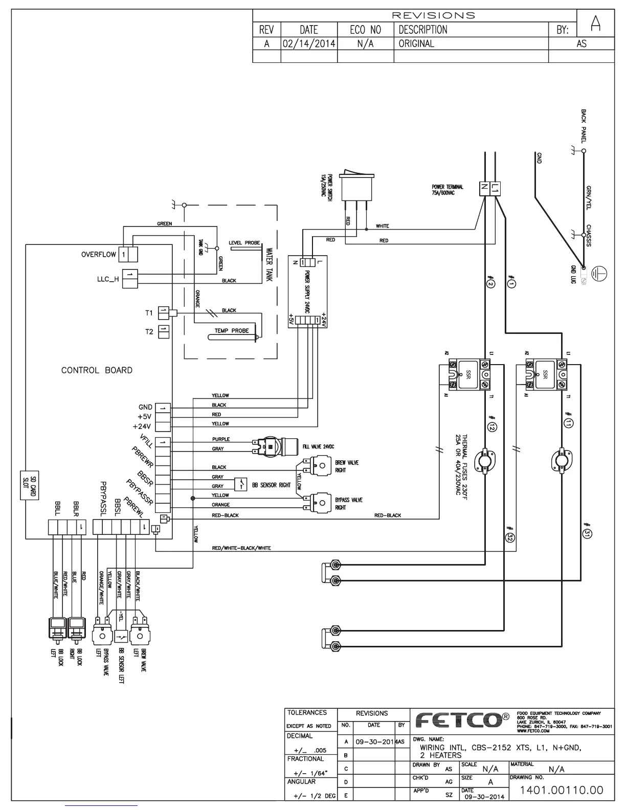
Fetco CBS-2152XTS - CBS-2152 XTS Intl 2 Heater Wiring Diagram; Wiring Schematics for Intl 2 Heaters

Fetco CBS-2152XTS
36 pages
Print Icon
To Previous Page IconTo Previous Page
To Previous Page IconTo Previous Page
Loading...

Related product manuals