EasyManua.ls Logo

Fimer King 350 - Schema Blocchi Carrello Separato; Schema Blocchi Generatore

Fimer King 350
Print Icon
To Next Page IconTo Next Page
To Next Page IconTo Next Page
To Previous Page IconTo Previous Page
To Previous Page IconTo Previous Page
Loading...
29
ESPAÑOL FRANÇAIS
DEUTSCH
ENGLISH
ITALIANO
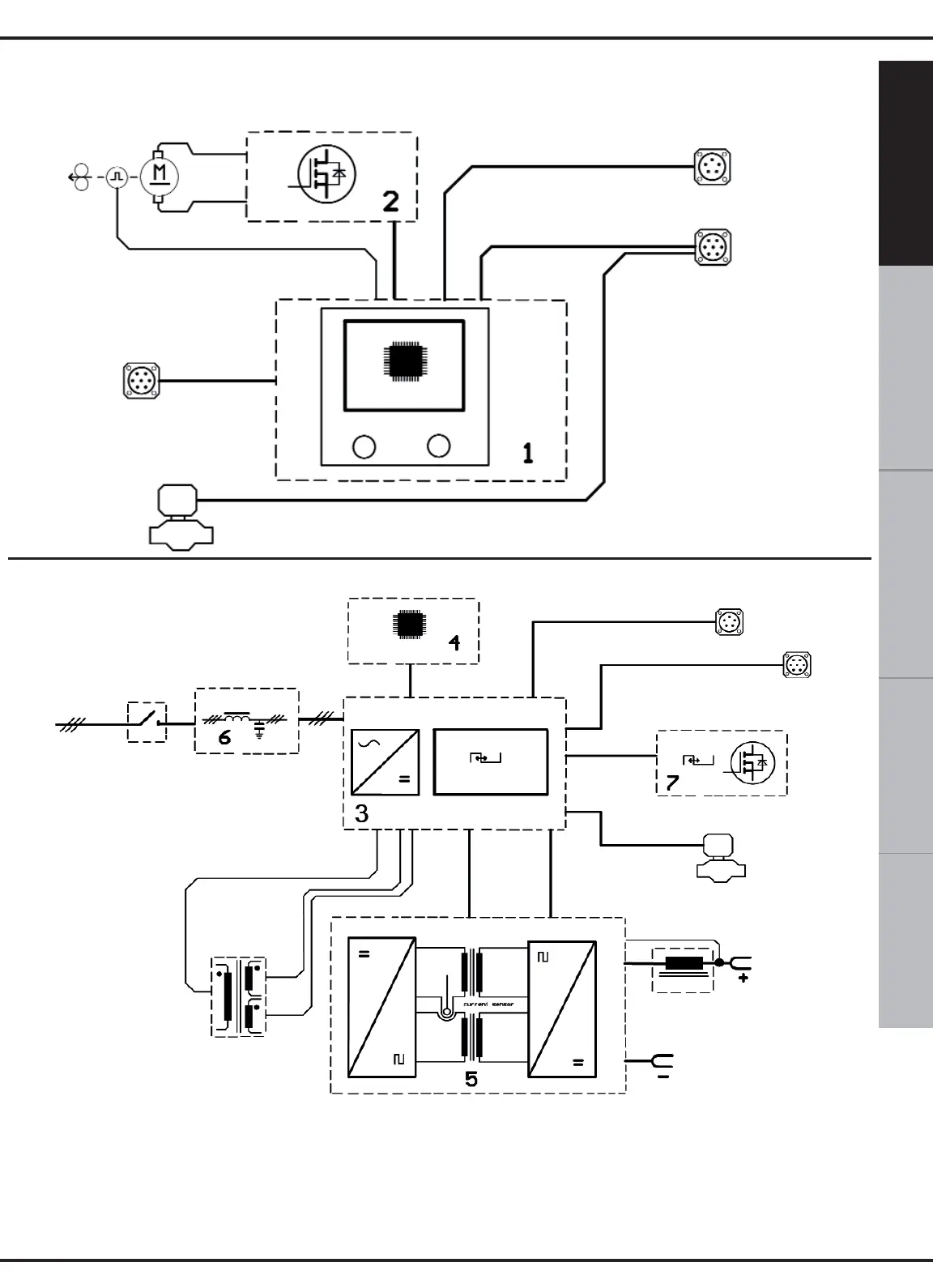
25.SCHEMA BLOCCHI CARRELLO SEPARATO
1. Pannello di controllo
2. Scheda controllo motore
26.SCHEMA BLOCCHI GENERATORE
3. Raddrizzatore di potenza e
condizionamento di segnale
4. Pannello controllo processo
di saldatura
5. Convertitore di potenza
6. Filtro EMC
7. Controllo ventilatori

Table of Contents

Related product manuals