EasyManua.ls Logo

FireLake 155 - Page 34

Default Icon
72 pages
Print Icon
To Next Page IconTo Next Page
To Next Page IconTo Next Page
To Previous Page IconTo Previous Page
To Previous Page IconTo Previous Page
Loading...
Page 34 of 34
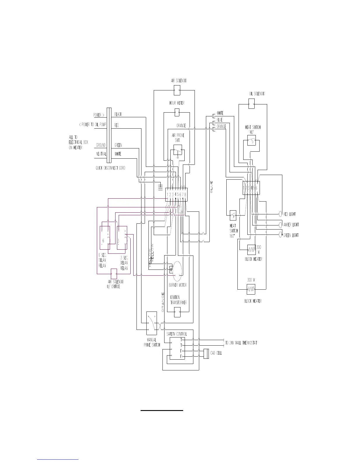
HAS EXTRA AIR SOLENOID AND TIMERS
120 VOLT MODEL B5 TWO STAGE (w/AIR DELAY) BURNER WIRING