EasyManua.ls Logo

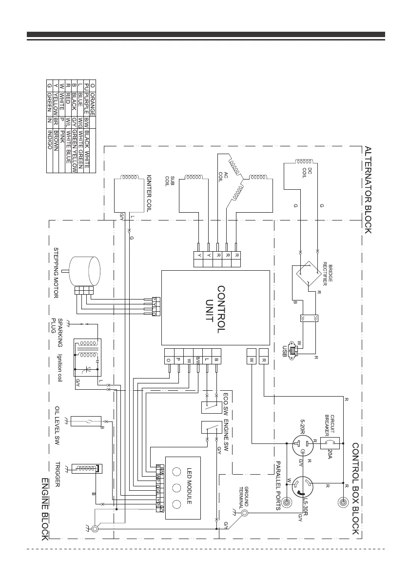
Firman W01682 - Wiring Diagram

Firman W01682
102 pages
Print Icon
To Next Page IconTo Next Page
To Next Page IconTo Next Page
To Previous Page IconTo Previous Page
To Previous Page IconTo Previous Page
Loading...
Wiring diagram
Page 27
English Customer Service: 1-844-FIRMAN1

Table of Contents

Related product manuals