EasyManua.ls Logo

Firman W01682 - Diagrammes de Câblage

Firman W01682
102 pages
Print Icon
To Next Page IconTo Next Page
To Next Page IconTo Next Page
To Previous Page IconTo Previous Page
To Previous Page IconTo Previous Page
Loading...
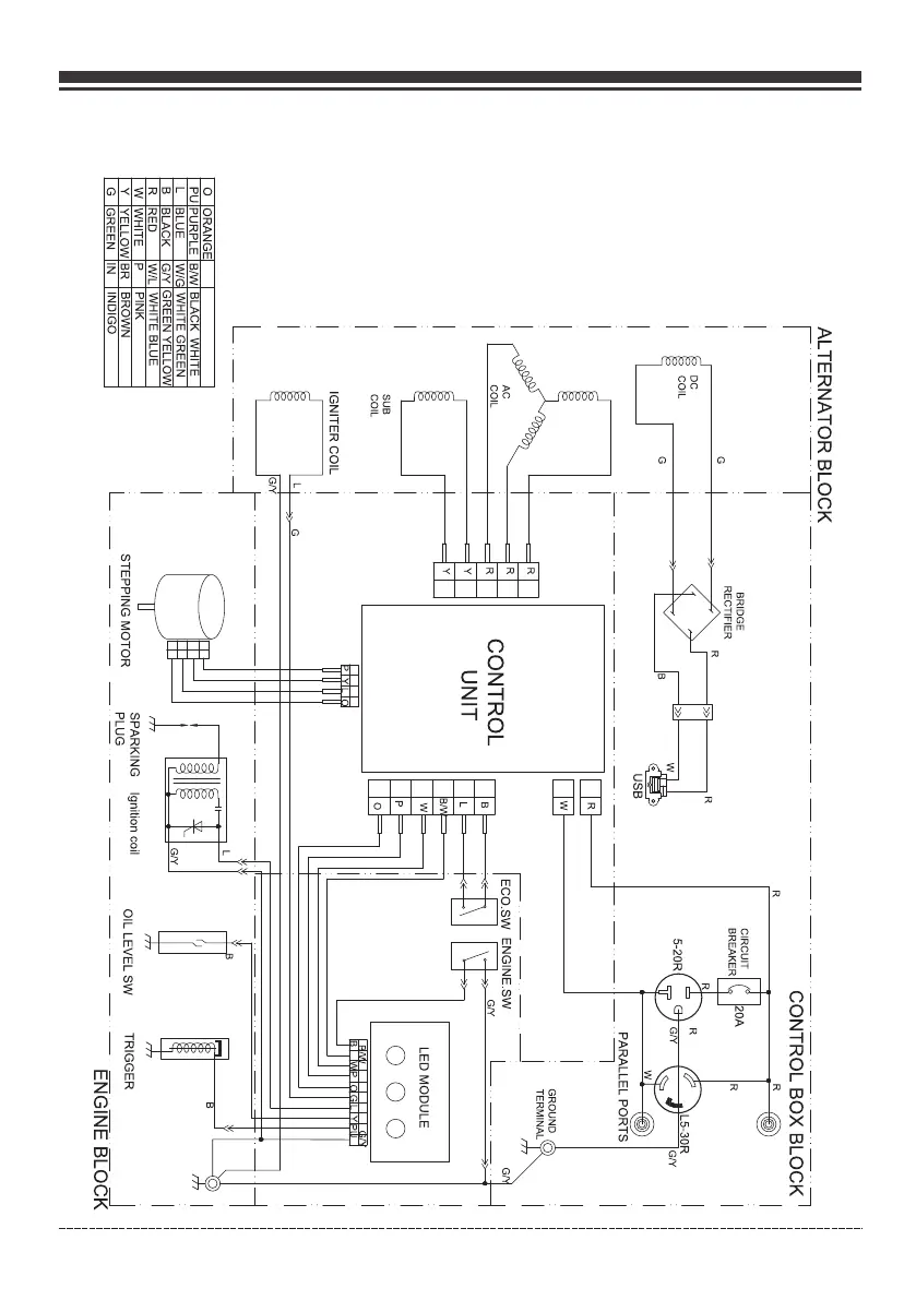
Diagrammes de câblage
27
Fraais Service à la clientèle: 1-844-FIRMAN1

Table of Contents

Related product manuals