EasyManua.ls Logo

Firman W01682 - Diagrama de Cableado

Firman W01682
102 pages
Print Icon
To Next Page IconTo Next Page
To Next Page IconTo Next Page
To Previous Page IconTo Previous Page
To Previous Page IconTo Previous Page
Loading...
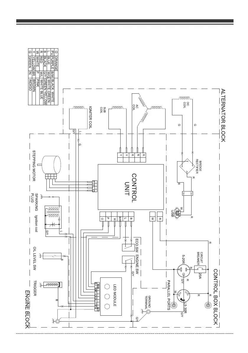
Diagrama de Cableado
27
Spanish Servicio al Cliente: 1-844-FIRMAN1

Table of Contents

Related product manuals