EasyManua.ls Logo

Fleck 7700 SXT - Démontage Et Remontage

Fleck 7700 SXT
Print Icon
To Next Page IconTo Next Page
To Next Page IconTo Next Page
To Previous Page IconTo Previous Page
To Previous Page IconTo Previous Page
Loading...
7700 SXT
78
9 - DÉMONTAGE ET REMONTAGE
ASSEMBLY AND REMOVAL / MONTAGE UND DEMONTAGE /
DESMONTAJE Y MONTAJE / SMONTAGGIO E RIMONTAGGIO
LA CARTE / THE BOARD / DIE ELEKTRONIK / LA TARJETA /
LA SCHEDA
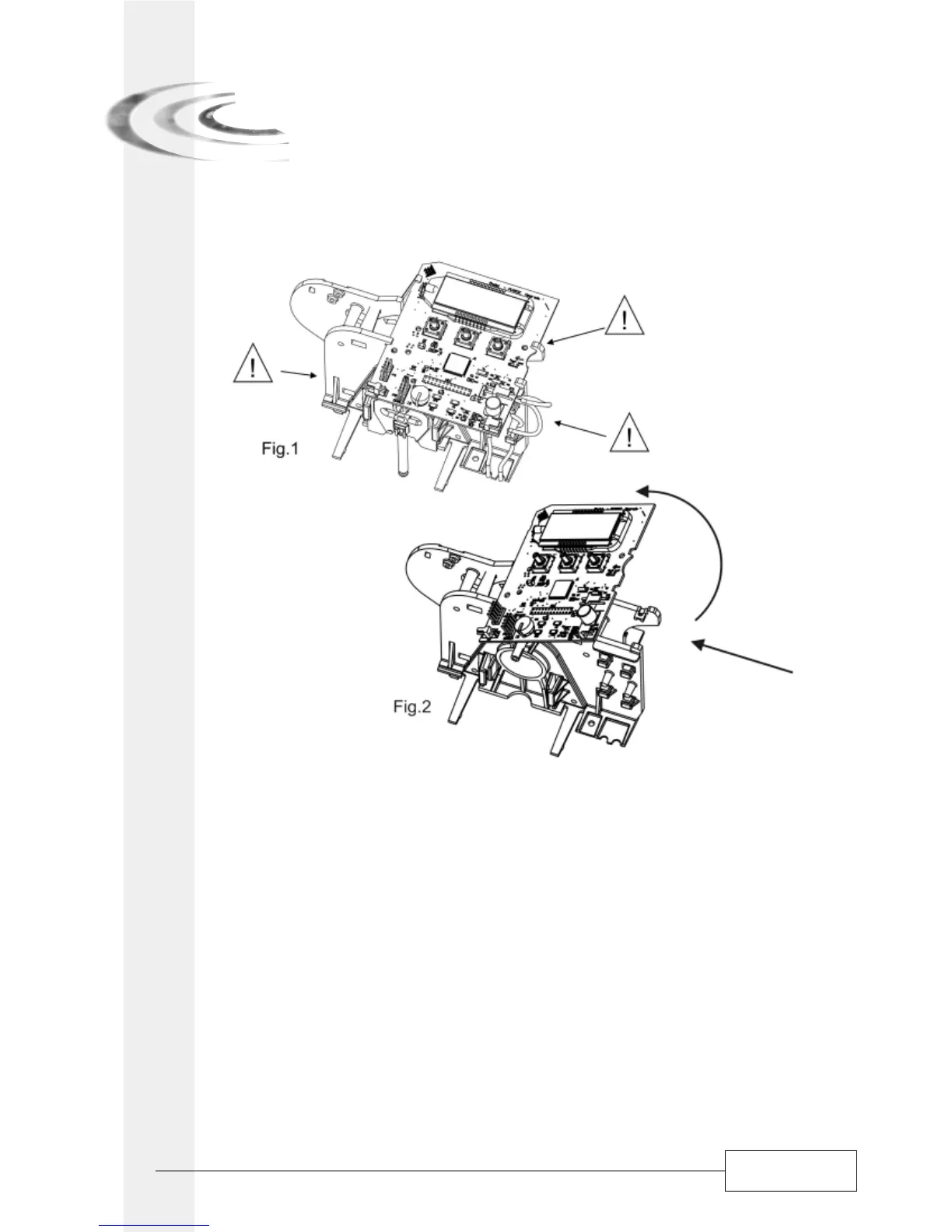
(Fig.1) Débrancher toutes les connexions à la carte. Retirer la vis qui maintient la carte électronique.
(Fig.2) Pousser la carte vers la gauche et la soulever en même temps. Pour remonter la carte, faire les
opérations inverses en respectant les encoches sur la carte.
(Fig.1) Unplug all the connexions to the board. (Fig.2) Remove the screw that holds the board. Push the board
to the left and lift at the same time. To assemble the board, repeat the same operations backwards whilst
respecting the slots on the board.
(Fig. 1) Entfernen Sie alle Verbindungen zur Leiterplatte. (Fig.2) Lösen Sie die Befestigungsschrauben der
Leiterplatte. Drücken Sie die Leiterplatte nach links und heben Sie diese gleichzeitig an. Zur Montage der
Leiterplatte, wiederholen Sie die gleichen Schritte in umgekehrter Reihenfolge. Beachten Sie dabei die
Einbuchtungen auf der Leiterplatte.
(Fig.1) Desconecte todas las conexiones de la tarjeta. (Fig.2) Retire el tornillo que sujeta la tarjeta electrónica.
Empuje la tarjeta hacia la izquierda y elévela al mismo tiempo. Para volver a montar la tarjeta, realice las
operaciones inversas respetando sus muescas.
(Fig.1) Staccare tutti i collegamenti della scheda. (Fig.2) Togliere la vite che fissa la scheda elettronica.
Spingere la scheda verso sinistra, sollevandola al tempo stesso. Per installare nuovamente la scheda,
procedere all’operazione inversa, rispettando le tacche presenti sulla scheda stessa.

Related product manuals