EasyManua.ls Logo

Fluid Components Intl FLT Series - Figure A-5. Remote Enclosure, Killark, NEMA Type 4 and Hazardous Location

Default Icon
65 pages
Print Icon
To Next Page IconTo Next Page
To Next Page IconTo Next Page
To Previous Page IconTo Previous Page
To Previous Page IconTo Previous Page
Loading...
FLUID COMPONENTS INTL APPENDIX A - DRAWINGS
1.25 INCH NPT TYPICAL
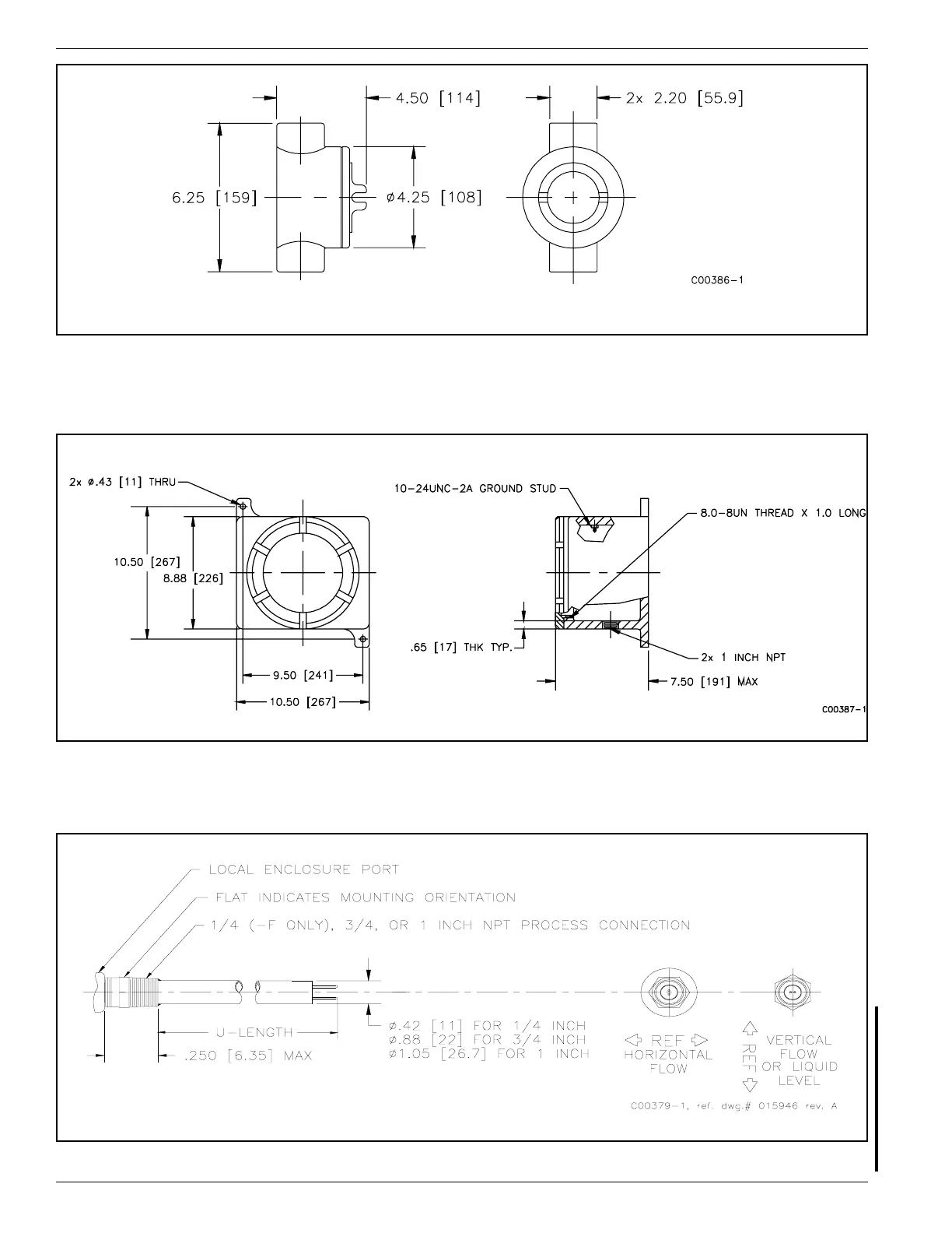
Figure A-4. Remote Enclosure, Feralloy, NEMA Type 4 and Hazardous Location
Figure A-5. Remote Enclosure, Killark, NEMA Type 4 and Hazardous Location
Figure A-6. 1/4 (FLT-F Only), 3/4 or 1 Inch NPT Process Connection
FLTÔ Series FlexSwitchÔ A - 2 Doc. No. 06EN003246 Rev. B

Table of Contents

Related product manuals