EasyManua.ls Logo

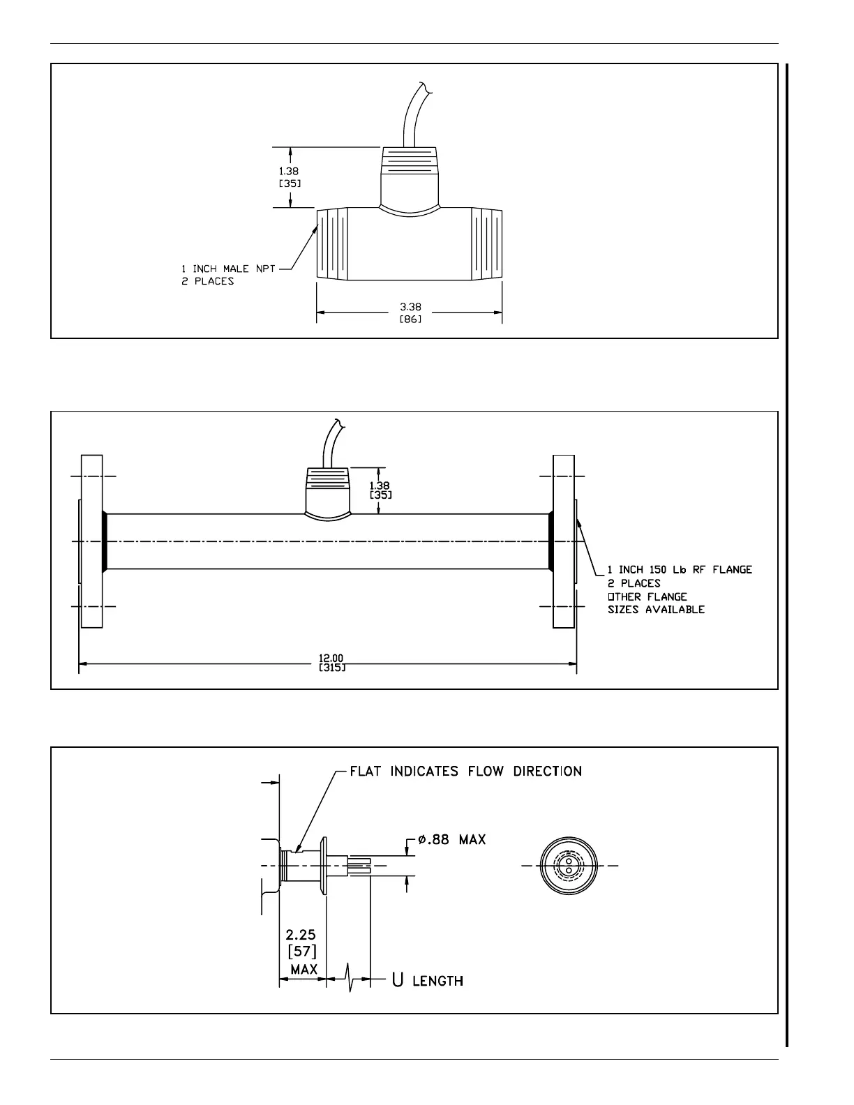
Fluid Components Intl FLT Series - Figure A-16. 1 Inch NPT FLT93-L; Figure A-17. 1 Inch RF Flanged FLT93-L

Default Icon
65 pages
Print Icon
To Next Page IconTo Next Page
To Next Page IconTo Next Page
To Previous Page IconTo Previous Page
To Previous Page IconTo Previous Page
Loading...
FLUID COMPONENTS INTL APPENDIX A - DRAWINGS
Figure A-16. 1 Inch NPT FLT93-L
Figure A-17. 1 Inch RF Flanged FLT93-L
Figure A-18. FLT93-C Sanitary Removable Clamp (RC) Instrument
FLTÔ Series FlexSwitchÔ A - 6 Doc. No. 06EN003246 Rev. B

Table of Contents

Related product manuals