EasyManua.ls Logo

Fluke DSX 5000 CableAnalyzer - Bad Patch Cord Message

Fluke DSX 5000 CableAnalyzer
90 pages
Print Icon
To Next Page IconTo Next Page
To Next Page IconTo Next Page
To Previous Page IconTo Previous Page
To Previous Page IconTo Previous Page
Loading...
DSX CableAnalyzer
Users Manual
38
GPU96.EPS
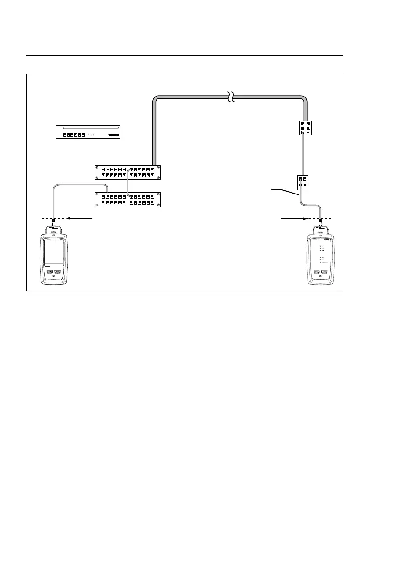
Figure 16. Channel Connections
“Bad Patch Cord” Message
To comply with standards for tests on channels, the tester
removes the effects of the channel adapters and their
connections from the test results. Before it removes these effects,
the tester makes sure that the plugs on the patch cord do not
have too much near-end crosstalk (NEXT). Too much NEXT is
frequently caused by too much untwisted wire in the plug. If a
plug is bad, the tester shows the message Bad patch cord at main
or Bad patch cord at remote, and does not remove the effects of
the channel adapters and their connections. The tester saves the
message with the results.
If you see one of these messages, replace the patch cord or install
a new plug at the bad end.
End
channel
Remote with
channel adapter
Optional
consolidation
point
Wall
outlet
Tester with
channel adapter
Start
channel
Hub or switch
Horizontal cabling
Patch cord
from hub
or switch
Patch cord
from PC
Patch
panels
riešenia na presné meranie

Table of Contents

Related product manuals