EasyManua.ls Logo

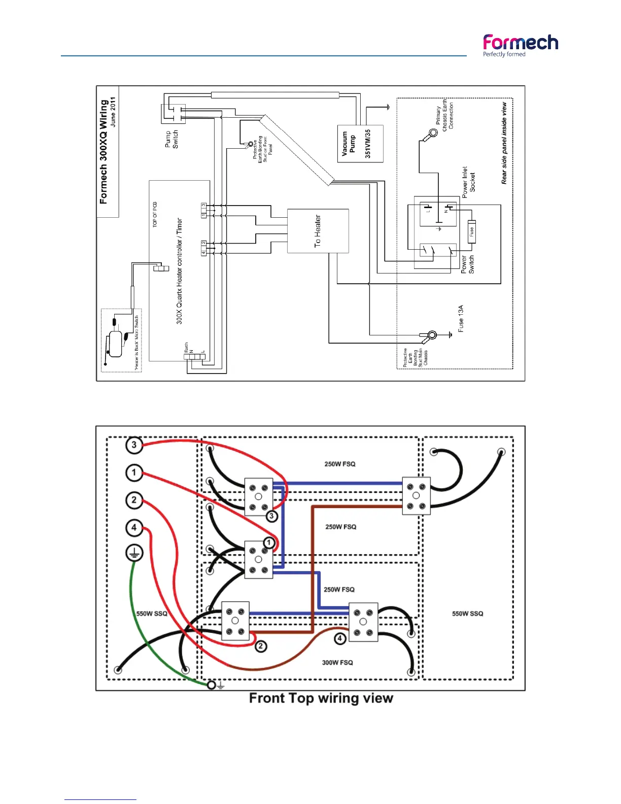
Formech 300XQ - Wiring Diagram Formech 300 XQ; Main Wiring Diagram; Front Top Wiring View

Formech 300XQ
31 pages
Print Icon
To Next Page IconTo Next Page
To Next Page IconTo Next Page
To Previous Page IconTo Previous Page
To Previous Page IconTo Previous Page
Loading...
Manual - Formech 300XQ
28
Wiring Diagram Formech 300XQ

Related product manuals