EasyManua.ls Logo

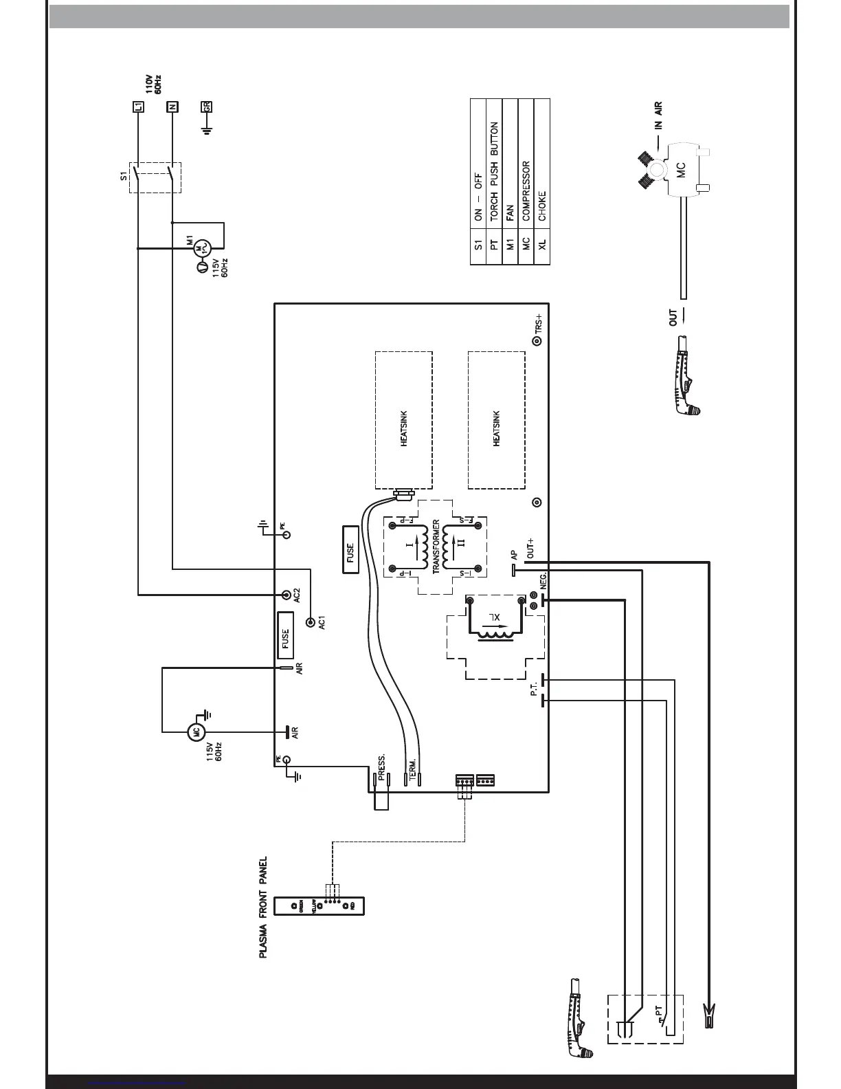
Forney 00317 - Unit Wiring Diagram

Forney 00317
20 pages
Print Icon
To Next Page IconTo Next Page
To Next Page IconTo Next Page
To Previous Page IconTo Previous Page
To Previous Page IconTo Previous Page
Loading...
WWW.FORNEYIND.COM
16
UNIT WIRING DIAGRAM

Related product manuals