EasyManua.ls Logo

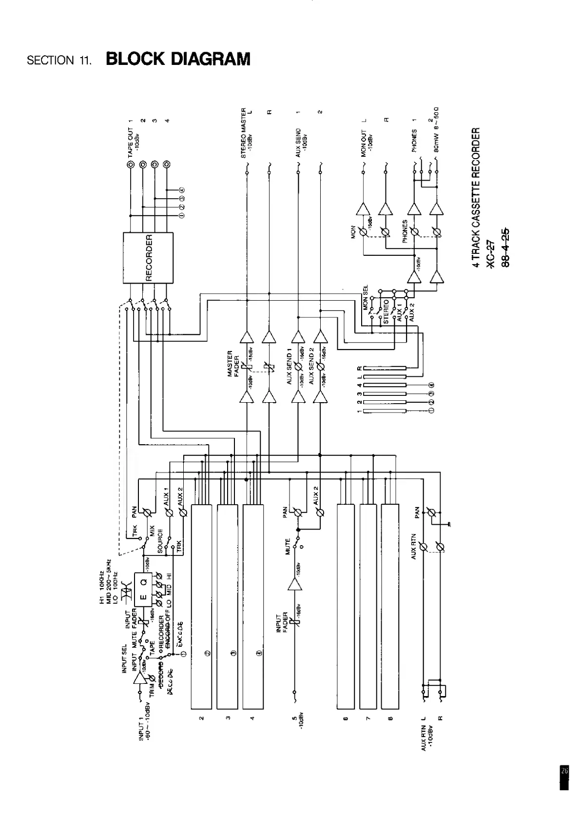
Fostex 280 - Block Diagram; Fostex Model 280 Block Diagram

Fostex 280
28 pages
Print Icon
To Next Page IconTo Next Page
To Next Page IconTo Next Page
To Previous Page IconTo Previous Page
To Previous Page IconTo Previous Page
Loading...

Related product manuals