EasyManua.ls Logo

FPT F Series - Page 22

Default Icon
72 pages
Print Icon
To Next Page IconTo Next Page
To Next Page IconTo Next Page
To Previous Page IconTo Previous Page
To Previous Page IconTo Previous Page
Loading...
IDLE
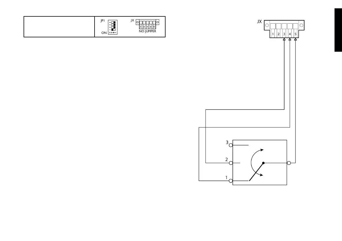
Thereisthepossibilityofusinganexternalthree-positionswitchtoselect
anenginespeedof1500 1500
1500
RPM RPM
RPM
,1800 1800
1800
RPM RPM
RPM
oridle.
Inthiscase,afterhavingpositionedthemicroswitchesasindicatedbelow,
connecttheswitchatpins3,4and5oftheJXconnector.Seethedetails
intheblockwiringdiagram.
Position1:1500 1500
1500
RPM RPM
RPM
Position2:1800 1800
1800
RPM RPM
RPM
Position3:engineidlespeed(pin3notconnected)
21
English

Related product manuals