EasyManua.ls Logo

Fri-Jado STG - Cuircuit Diagram STG 5 P; Electrical Diagrams

Fri-Jado STG
68 pages
Print Icon
To Next Page IconTo Next Page
To Next Page IconTo Next Page
To Previous Page IconTo Previous Page
To Previous Page IconTo Previous Page
Loading...
Service Manual STG5/7 STW5/7 form 9123659 rev. 03/2014
Page 56
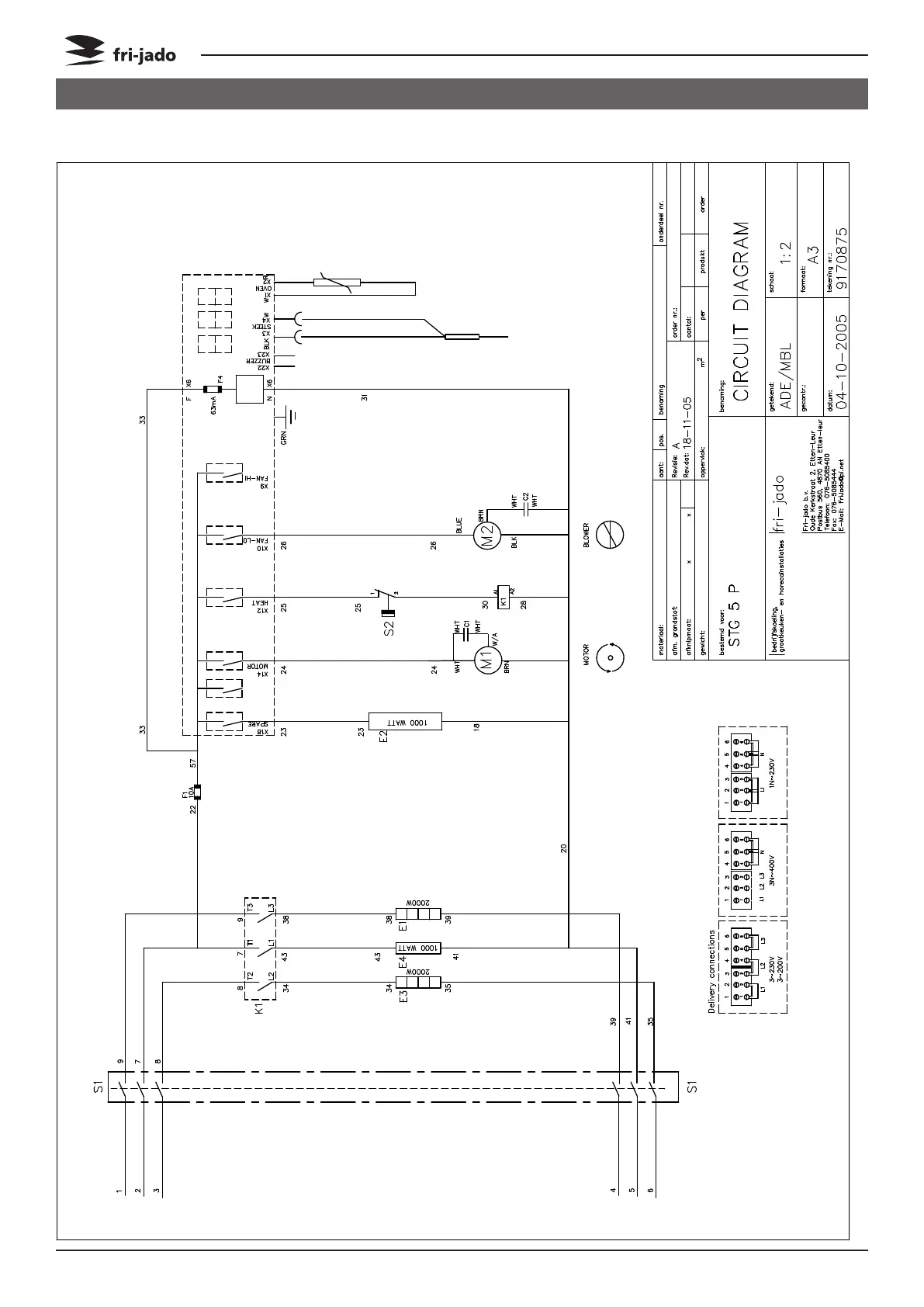
ELECTRICAL DIAGRAMS
CUIRCUIT DIAGRAM STG 5 P
ELECTRICAL DIAGRAMS

Table of Contents