EasyManua.ls Logo

Friedrich MULTI ZONE MR24DY3JMA - 5. Piping diagrams

Friedrich MULTI ZONE MR24DY3JMA
274 pages
Print Icon
To Next Page IconTo Next Page
To Next Page IconTo Next Page
To Previous Page IconTo Previous Page
To Previous Page IconTo Previous Page
Loading...
Multiple piping type _ 11
MULTI ZONEMULTI ZONE
Part 2 Product data_Outdoor units
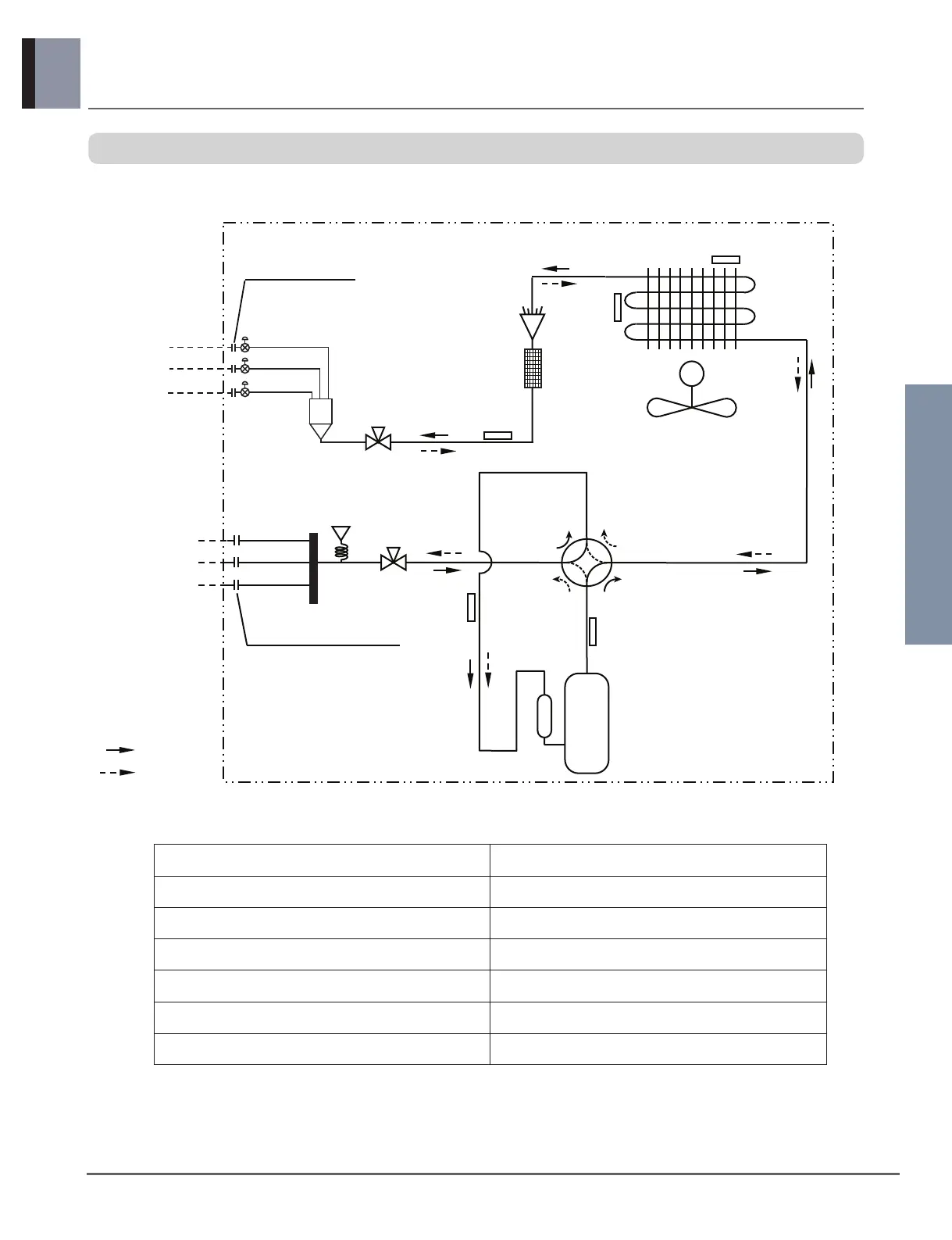
5. Piping diagrams
Models : MR24DY3JMA
M
Discharge
Temperature
Thermistor
Suction
Temperature
Thermistor
Inverter
Compressor
Condenser Out
Strainer
Temperature
Thermistor
Inlet Air
Temperature
Thermistor
Outdoor Unit
Flare Connection
Flare Connection
Condensing
Temperature
Thermistor
ROOM A
ROOM A
ROOM B
: Cooling
: Heating
ROOM B
ROOM C
Main SVC V/V
ROOM C
Main SVC V/V
Pressure
Sensor
Electronic
Expansion Valve-B
Electronic
Expansion Valve-A
Electronic
Expansion Valve-C
Description PCB Connector
Condenser out temperature Thermistor CN_C/PIPE
Condensing temperature Thermistor CN_MID
Inlet air temperature Thermistor CN_AIR
Discharge temperature Thermistor CN_DISCHARGE
Suction temperature Thermistor CN_SUCTION
Pressure Sensor CN_H/PRESS

Table of Contents

Related product manuals