EasyManua.ls Logo

FRIENDCOM FC-302 - Page 13

FRIENDCOM FC-302
22 pages
Print Icon
To Next Page IconTo Next Page
To Next Page IconTo Next Page
To Previous Page IconTo Previous Page
To Previous Page IconTo Previous Page
Loading...
FC-302 Data Radio User Manual
Page 12
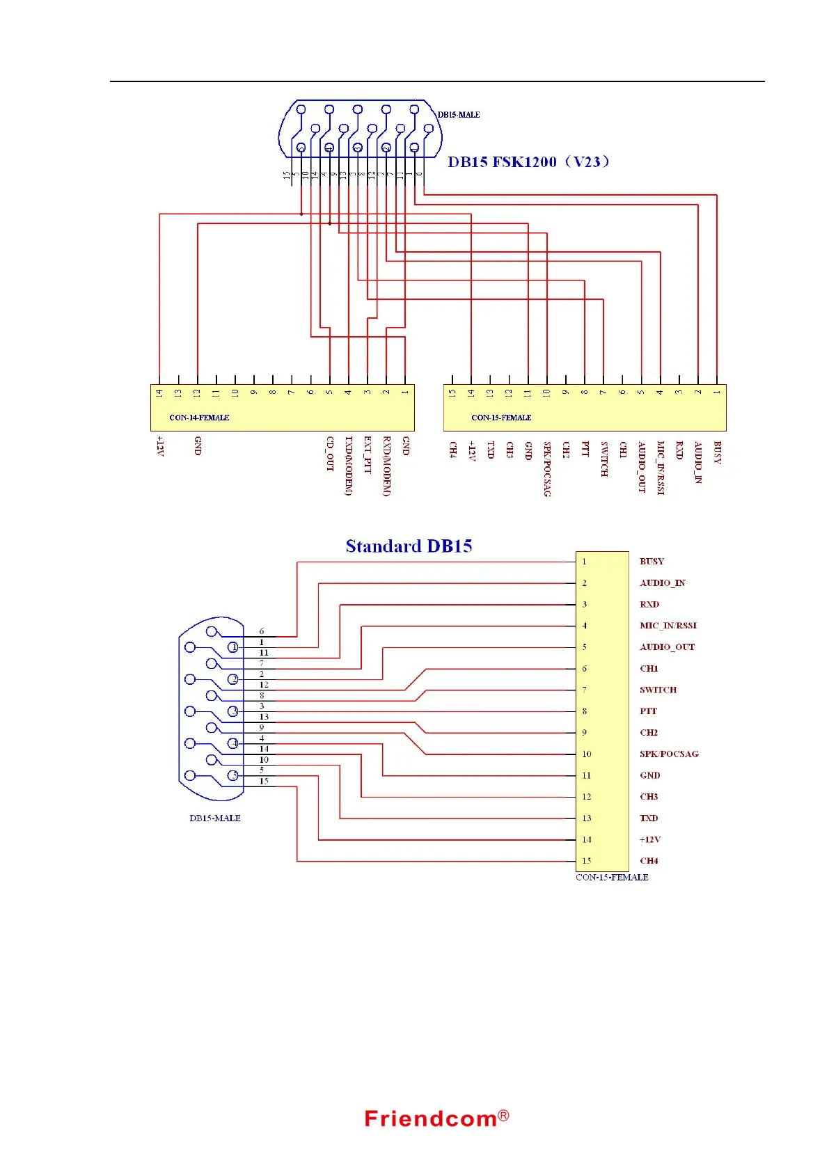
Fig.14 DB15 FSK1200 (V23) Interface Pin Assignment
Fig.15 DB15 Interface Pin Assignment