EasyManua.ls Logo

Frigomat GX4 Kompact - Page 61

Frigomat GX4 Kompact
Print Icon
To Next Page IconTo Next Page
To Next Page IconTo Next Page
To Previous Page IconTo Previous Page
To Previous Page IconTo Previous Page
Loading...
FRIGOMAT GX4Kompact, GX6, GX8 M04.42026 R.2019.05.30 v
EN
IT
FR
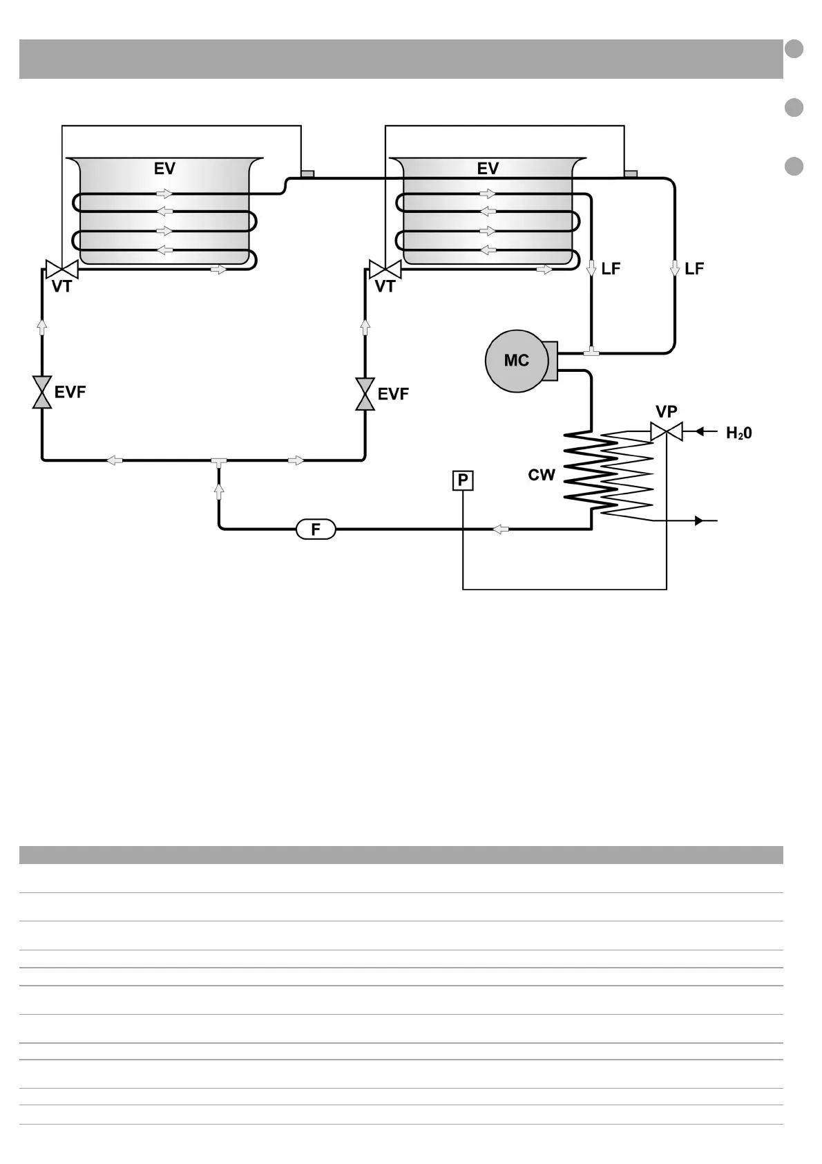
TAV 01 : Schema circuito frigorifero ● Refrigerant circuit diagram Schéma du circuit frigorifique ● Kühlnetzplan ●
Esquema circuito frigorifico
N. COD. DESCRIZIONE DESCRIPTION DESCRIPTION BESCHREIBUNBG DESCRIPTION
LF
Linea circuito
frigorifero
Refrigeration
circuit line
Ligne circuit
frigorifique
Kaltekreislautver-
bindung
Linea circuito
frigorifiquo
EFV
Elettrovalvola
gas
Gas
electro valve
Vanne
électrique gas
Gas
Elektroventil
Valvula electrica
gas
EV
Cilindro
evaporatore
Evaporator
Cylinder
Evaporateur
Cylindre
Zylinder-
Verdampfer
Evaporador
cilindro
P Pressostato Pressostat Pressostat Pressostat Pressostato
MC Compressore Compressor Compresseur Kompressor Compresor
VP
Valvola
pressostatica
Water Valve
Soupape
pressostatique
Druckventil
Valvula
presostatica
CW
Condensatore
ad acqua
Water
condenser
Condensateur
à eau
Wasserkondensie-
rung
Condensaciòn
a agua
F Filtro Filter Filtre Filter Filtro
VT
Valvola
termostatica
Thermostatic
valve
Vanne
thermostatique
Thermostatisches
ventil
Valvula
termostatica

Related product manuals