EasyManua.ls Logo

Frymaster 14 Series - Page 65

Frymaster 14 Series
78 pages
Print Icon
To Next Page IconTo Next Page
To Next Page IconTo Next Page
To Previous Page IconTo Previous Page
To Previous Page IconTo Previous Page
Loading...
5-6
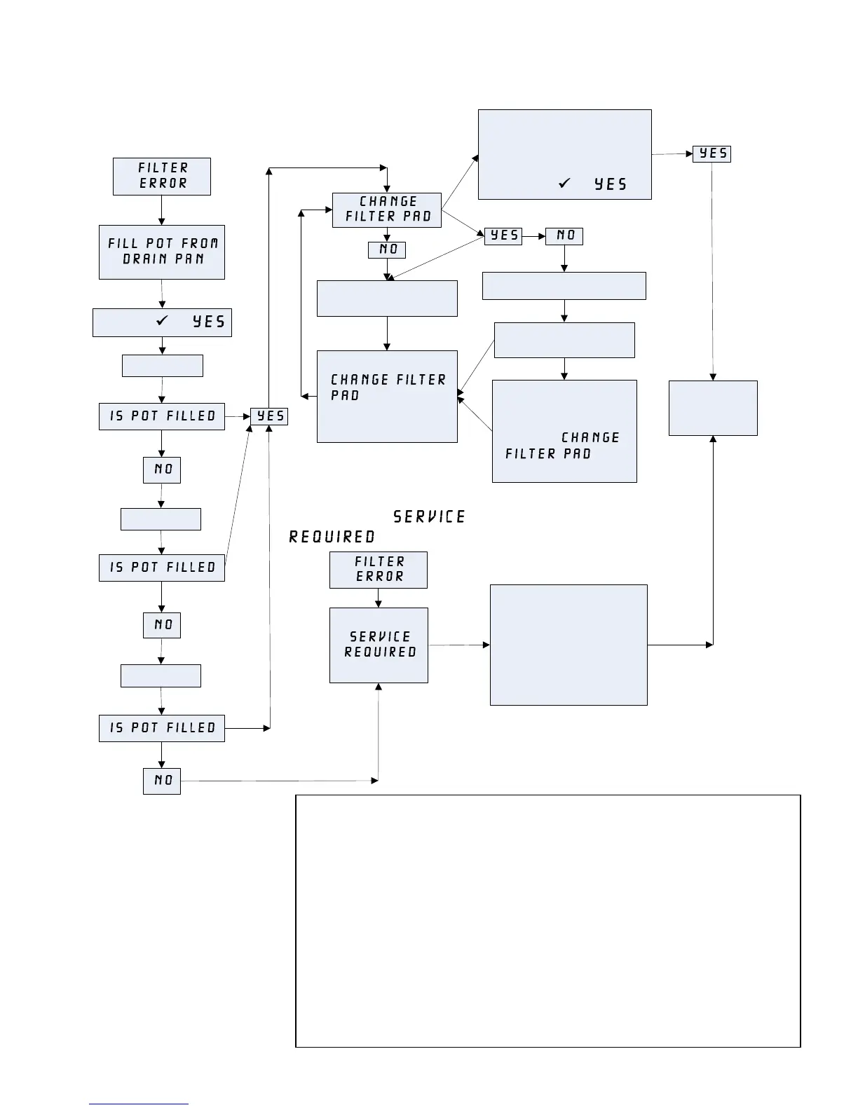
5.4.4 Filter Error Flowchart
Pump Runs
Pump Runs
Pump Runs
Change the filter pad and
ensure the filter pan is
removed from the cabinet for
a minimum of TWO minutes,
then press
(1 ).
Fryer returns to cook
mode for 15 minutes.
NORMAL
OPERATION
RESUMES
PRESS (1 )
First
FILTER ERROR
If two consecutive filter
errors occur,
is displayed.
Call an Authorized
Repair Technician to
repair and reset the
fryer. Once fryer is
reset, normal
operation resumes.
Pad is NOT changed.
The computer displays
with yellow JIB
and blue filter lights
flashing.
Fryer returns to cook
mode for 15 minutes.
If filter menu is
accessed during the 15
minutes
, the computer
displays
three
times and shuts OFF.
This chart follows the process of clearing a FILTER ERROR
prompt. The prompt is displayed when any of the following occur:
1. a clogged filter pad,
2. a tripped or defective filter pump,
3. a pan/pan switch issue.
4. a leaky O-ring on the pick-up tube,
5. a failed drain valve/actuator, or
6. a failed return valve/actuator.
It is cleared by following the prompts. If the computer displays
SERVICE REQUIRED, the fryer is locked out until reset by a
technician.

Related product manuals