EasyManua.ls Logo

Frymaster H55 Series - Page 44

Frymaster H55 Series
170 pages
Print Icon
To Next Page IconTo Next Page
To Next Page IconTo Next Page
To Previous Page IconTo Previous Page
To Previous Page IconTo Previous Page
Loading...
Electric Fryers
3-11
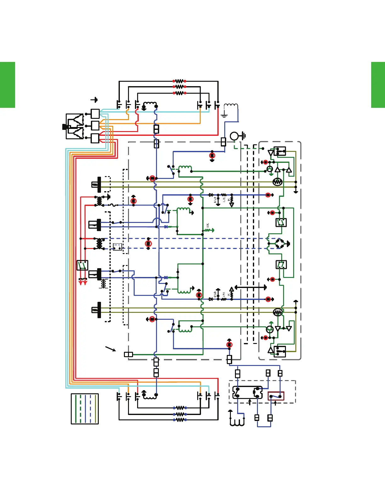
Rotating Electric RE14/RE17/RE22 Series (Including McDonald’s) - Dual-vat
ELECTRIC RE14/17/22 SERIES (INCLUDING McDONALD’S) - DUAL-VAT
3 PHASE POWER
TERMINALS
GND
LATCHING
CONTACTOR
1C
LATCHING
CONTACTOR
3C
J3
J3
2
6
15
5
10 13
14
4
11
TROUBLE
HEAT
POWER
HEAT
TROUBLE
12V
3
1
1
3
3
24V
2
24V
24V
FUSE
DRAIN
SAFETY
SWITCH
9
6
69
HIGH
LIMIT
K4
LATCH
RELAY
K3
HEAT
RELAY
HI
HT
K1
LATCH
RELAY
AL
K2
HEAT
RELAY
TEMP
PROBE
AL
HT
2614
14
15 12
12
COMP
14
1310
J1
1
2
J2
J2-12
11 101
J1-5
J1-4
11
5
5
J2-7
J2-8
L1
L2
L3
C6
109
34
C6
HI
DRAIN
SAFETY
SWITCH
HIGH
LIMIT
TEMP
PROBE
C1-8
L1
L3
CONTROL
CIRCUIT
T
M
T
M
HOOD
RELAY
SD
12 VDC
24 VAC
12 VAC
PROBE CIRCUIT
SOUND DEVICE CIRCUIT
COMPUTER / CONTROLLER
Applicable to
McDonald's
Units Only
C1-5
MAIN POWER SWITCH
78
21
STANDBY / OFF
POWER
STANDBY / OFF
HEATING
CONTACTOR
C1-10
2C
OPTIONAL
TILT SWITCH
2
4
13
TILT
SWITCH
TILT
SWITCH
RELAY
C1-
C6-12
C1-6
C6-11
FIRE
CUT-
OFF
6
5
4
3
2
1
6
5
4
3
2
1

Related product manuals