EasyManua.ls Logo

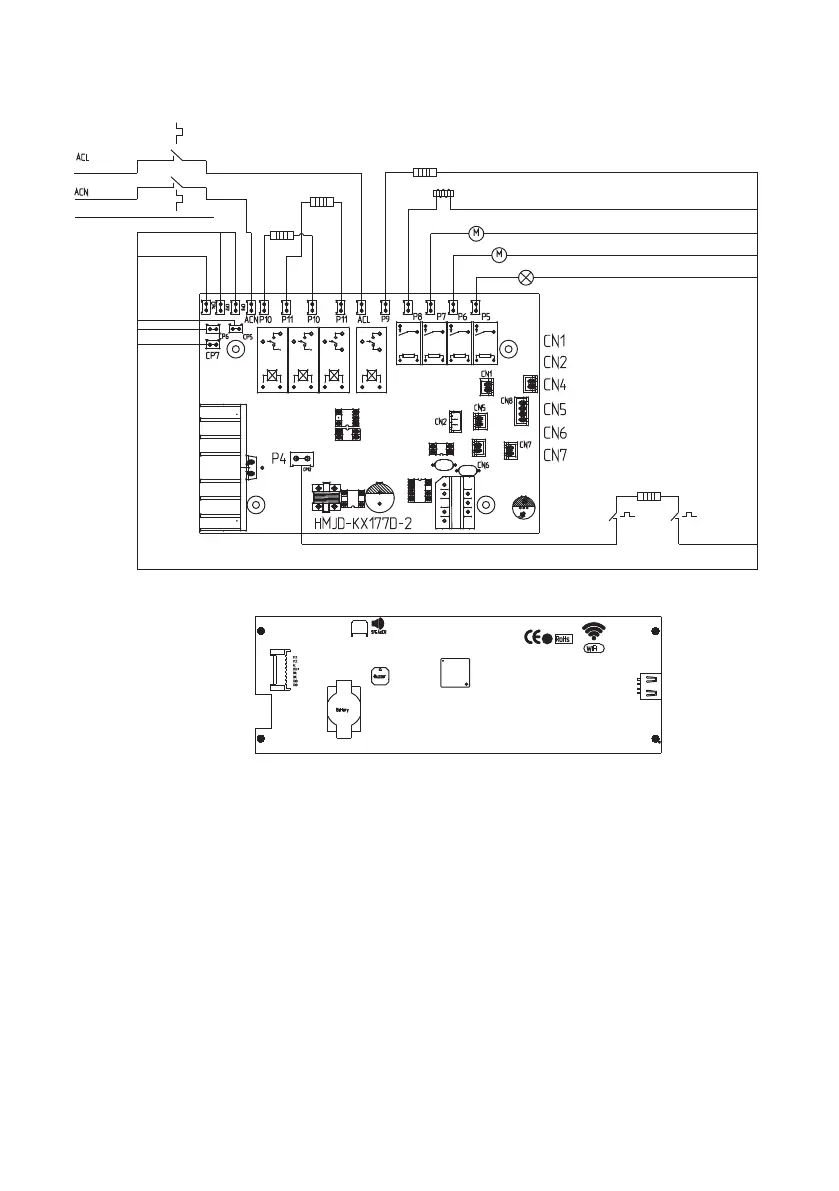
Fujioh FV-ML71 - Circuit Diagram

Fujioh FV-ML71
56 pages
Print Icon
To Next Page IconTo Next Page
To Next Page IconTo Next Page
To Previous Page IconTo Previous Page
To Previous Page IconTo Previous Page
Loading...
USB
Chamber Light
Cooling Fan
Circulating Fan
Back heating element 1600W
Inner top heating element
1200W
Outer top heating Element
820W
Thermostat 180
Thermo Cutout
t130
Thermo Cutout t130
Water Solenoid Valve
Door Switch
Chamber Temperature Sensor
Water Pump
Door Switch
Steam Heating Element Sensor
Float Switch
Steam Heating element
1500W
Thermostat
180
-22-
Circuit Diagram

Related product manuals