EasyManua.ls Logo

Fujitsu AOU12RL2 - Wiring Diagrams; Models: AOU9 RL2 and AOU12 RL2

Fujitsu AOU12RL2
45 pages
Print Icon
To Next Page IconTo Next Page
To Next Page IconTo Next Page
To Previous Page IconTo Previous Page
To Previous Page IconTo Previous Page
Loading...
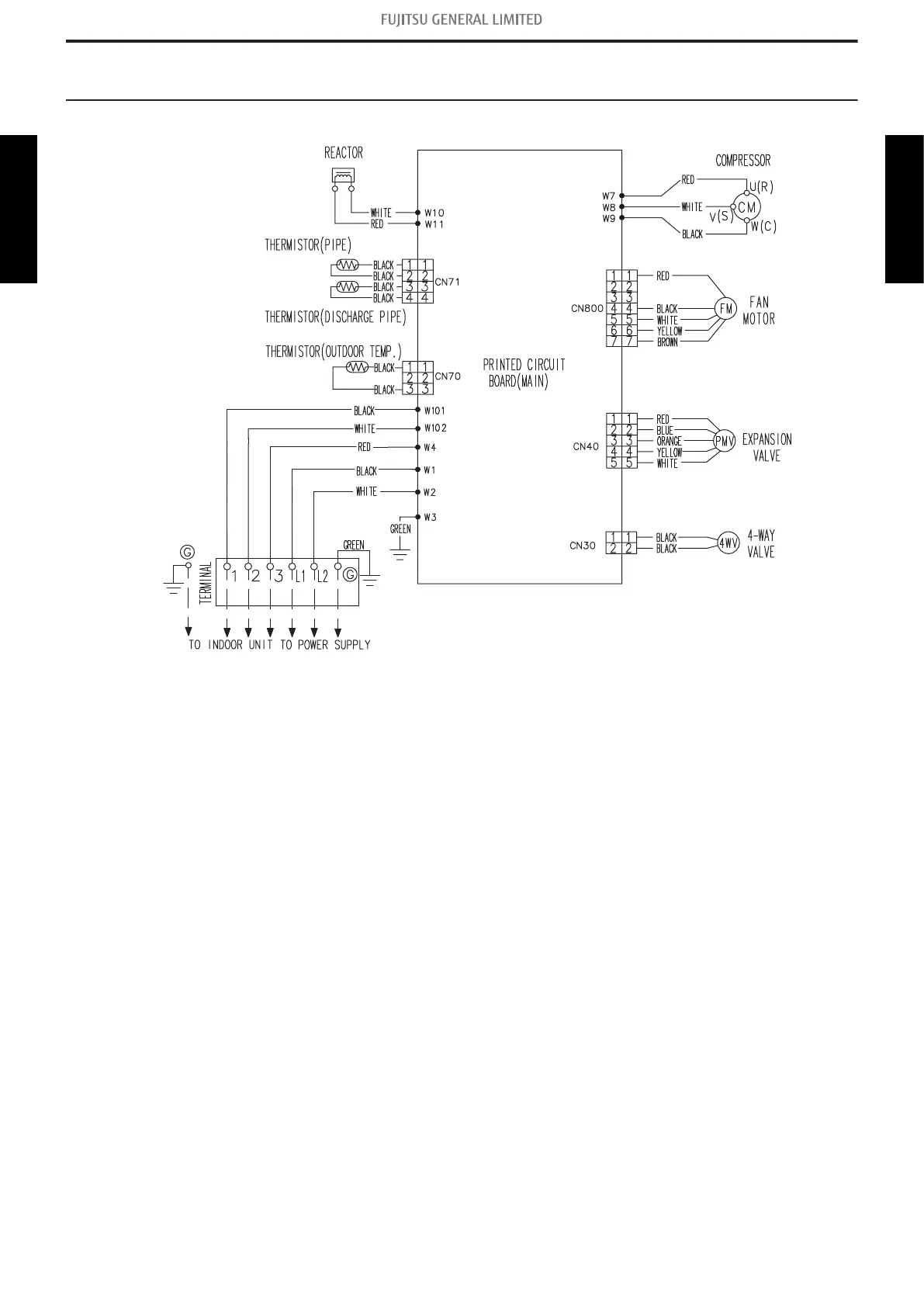
5. Wiring diagrams
5-1. Models: AOU9RL2 and AOU12RL2
- 32 -
5-1. Models: AOU9RL2 and AOU12RL2
5. Wiring diagrams
OUTDOOR UNIT
AOU9-12RL2
OUTDOOR UNIT
AOU9-12RL2

Other manuals for Fujitsu AOU12RL2

Related product manuals